Mikroe MIKROE-3115 ADC 7 Click
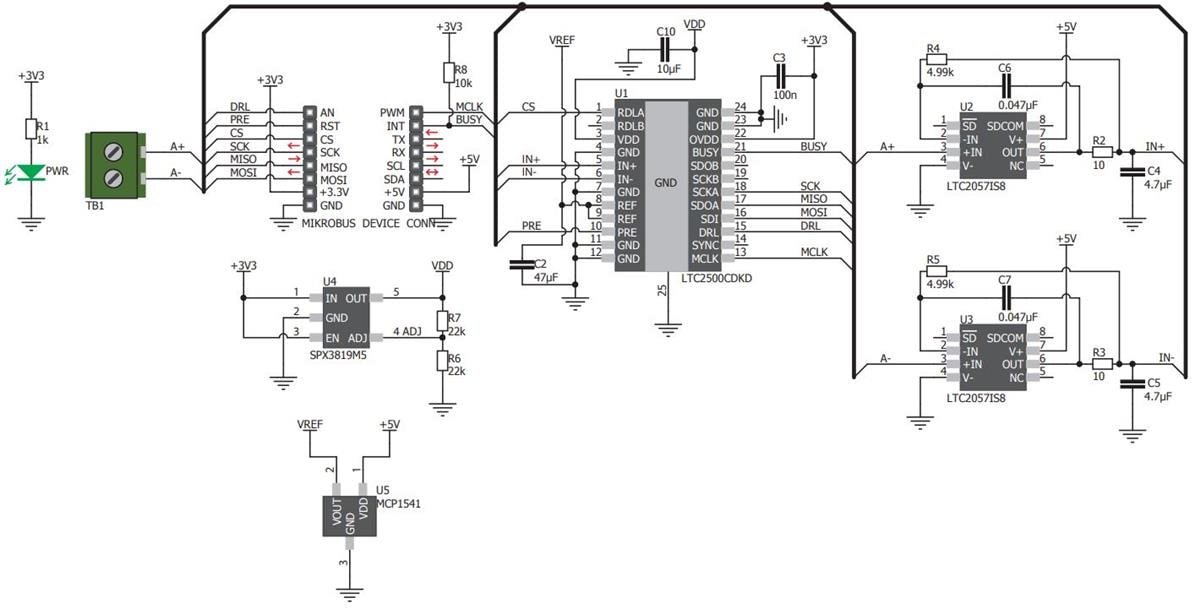
Das MIKROE-3115 ADC 7 Click von MikroElektronika ist ein fortschrittlicher 32-Bit-Analog-Digital-Wandler (ADC) mit einem großen Dynamikbereich, der eine präzise Abtastung der Eingangsspannung ermöglicht. Dieses Click verwendet einen 32-Bit-Überabtastungs-SAR-ADC mit einem konfigurierbaren LTC2500-32 Digitalfilter. Der Filter bietet verschiedene Voreinstellungen (über den Hardware-Pin wählbar) und eine Programmierung der Filterparameter über die Industriestandard-SPI-Schnittstelle. Der LTC2500-32 bietet einen großen Dynamikbereich von 148 dB mit 61 Abtastungen pro Sekunde (SPS) und einem 32-Bit-Ausgang ohne fehlende Codes. Das MIKROE-3115 ADC 7 Click Board bietet 4,096 V von einem winzigen MCP1541 Festreferenz-Spannungs-IC und wird als externe Referenzspannung zum LTC2500-32 ADC verwendet. Dieses Click Board eignet sich hervorragend für Seismologie-Applikationen, Hochpräzisions-Messgeräte-Applikationen, Energieexploarationsapplikationen und ähnliche empfindliche Applikationen, die eine sehr hohe Abtastgenauigkeit erfordern.Merkmale
- Sieben Typen von integrierten Digitalfiltern mit programmierbaren Optionen
- 32-Bit-Datenausgang mit einem großen Dynamikbereich
- On-Board-Module:
- Verwendet einen 32-Bit-Überabtastungs-SAR-ADC mit einem konfigurierbaren LTC2500-32 Digitalfilter
- Großer Dynamikbereich von 148 dB bei 61 SPS
- 32-Bit-Ausgang ohne fehlende Codes
- LTC2057 Operationsverstärker von Analog Devices
- Hohe Spannung, geringes Rauschen und Nullpunktdrift
- MCP1541 Festreferenzspannungs-IC von Microchip für die Bereitstellung von 4,096 V
- Verwendet einen 32-Bit-Überabtastungs-SAR-ADC mit einem konfigurierbaren LTC2500-32 Digitalfilter
- Eine große Auswahl von Gleichtaktspannungen ermöglicht die Abtastung verschiedener Arten von bipolaren und unipolaren Eingangssignalen
Applikationen
- Präzisionsmessgeräte
- Seismologie-Applikationen
- Empfindliche Applikationen, bei denen eine hohe Abtastgenauigkeit erforderlich ist
- Energieexplorationsapplikationen
Übersicht
Schaltplan
Veröffentlichungsdatum: 2018-10-24
| Aktualisiert: 2022-08-25
