Mikroe Flash 4 Click (MIKROE-3191)
Das MIKROE-3191 Flash 4 Click von MikroElektronika ist eine Lösung für Massenspeicher in verschiedenen embedded Applikationen. Das Flash 4 Click kann für das Code-Shadowing, Execute-in-Place (XIP) und die Datenspeicherung verwendet werden. Das Flash 4 Click verfügt über das S25FL512S Flash-Speichermodul, das sich aus einer Hochleistungs-MirrorBit®-Technologie und einer Eclipse™-Architektur zusammensetzt. Das 512-MBit-SPI-Flash-Speichermodul ist eines der branchenweit schnellsten und zuverlässigsten Flash-Module.Merkmale
- Hohe Haltbarkeit von 100.000 Schreibzyklen
- Advanced Sector Protection (ASP)
- Sicherer OTP-Speicherblock
- 1 KB OTP-Speicher
- Hohe Übertragungsraten
- SFDP-Modus für einen einfachen Abruf von IC-spezifischen Informationen
- AutoBoot-Funktion für eine verbesserte Einschaltleistung
- Schnittstelle: QSPI, SPI
- Eingangsspannung: 3,3 V oder 5 V
- On-Board-Module: S25FL512S 512-MBit-SPI-Flash-Speichermodul von Cypress
Applikationen
- Massenspeicher-Option in Multimediageräten und Datenlaufwerken.
- Nichtflüchtiger Datenspeicher in embedded Applikationen, sichere Speicher- und ähnliche Applikationen, die eine zuverlässige permanente Speicherung von digitalen Informationen erfordern.
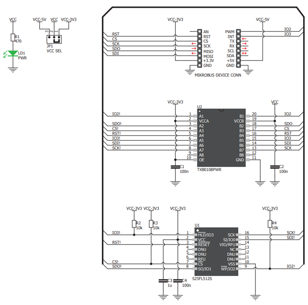
Schaltplan
Übersicht
Veröffentlichungsdatum: 2018-12-20
| Aktualisiert: 2023-04-25
