Monolithic Power Systems (MPS) EVHF920-S-00B Evaluation Board
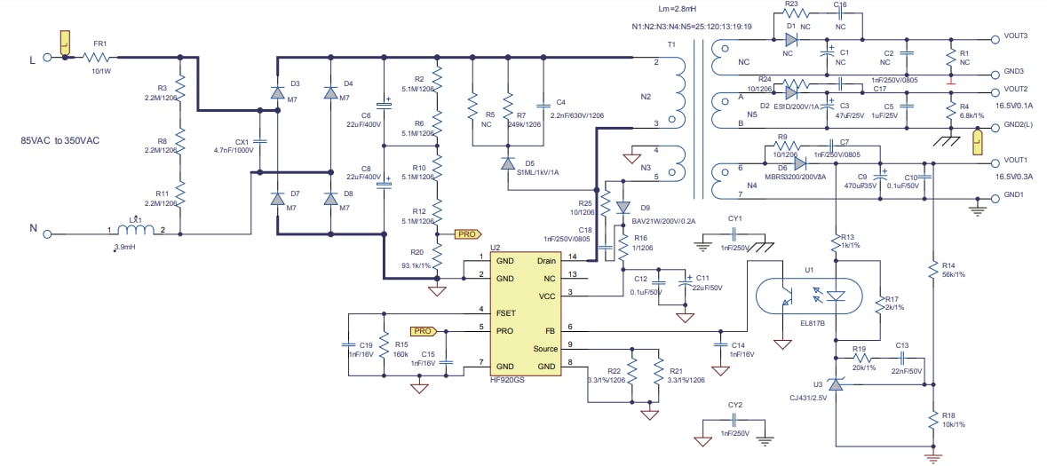
Monolithic Power Systems (MPS) EVHF920-S-00B Evaluation Board is designed for a better Electromagnetic Compatibility (EMC) performance with few EMI filters that provides a reference to effective PCB design. The EVHF920-S-00B evaluation board evaluates HF920 flyback regulators that are fixed-frequency offline regulators with an ultra-low standby power consumption. These HF920 flyback regulators provide excellent power regulation with the help of monolithic 900V/15Ω MOSFET and a high voltage current source. The EVHF920-S-00B evaluation board operates off-line from 85VAC to 350VAC wide input voltage range with 16.5V/300mA and 16.5V/100mA dual outputs.The EVHF920-S-00B evaluation board features time-based Over Load Protection (OLP), a highly strong anti-interference ability to an external magnetic field, and frequency doubling operation mode. This evaluation board meets EN55022 conducted EMI requirements easily with frequency jittering function. Typical applications include E-meters, industrial controls, and large appliances.
Features
- Fixed switching frequency, programmable up to 150kHz
- Frequency doubling operation mode
- Excellent EMC performance
- Over Temperature Protection (OTP)
- Time-based Over Load Protection (OLP)
- Short Circuit Protection (SCP)
- Strong anti-interference ability to an external magnetic field
- Power line communications
Specifications
- 85VAC to 350VAC wide input voltage range
- 16.5V output voltage
- 100mA and 300mA output currents
- 65mm x 47mm x 22mm dimensions
Applications
- E-Meters
- Industrial controls
- Large appliances
Schematic Diagram
Veröffentlichungsdatum: 2021-05-10
| Aktualisiert: 2022-03-11
