Monolithic Power Systems (MPS) EVQ1922 Evaluation Board

Monolithic Power Systems (MPS) EVQ1922 Evaluation Board drives two N-channel power MOSFETs in a half-bridge configuration and operates on power supplies up to 100V. This Evaluation Board is designed to demonstrate the performance of  MPQ1922, a half-bridge gate driver. The MPQ1922 generates an adaptive Dead Time (DT) by monitoring the gate driver output voltages to prevent shoot-through in the output MOSFETs. Typical applications include automotive pumps, fans, superchargers and actuators, power drills, e-bikes, and motor driver applications.

Features

  • Supports 100V supply operation
  • 3A source, 4A sink gate driver current
  • Internal charge pump and auto-refresh for High-Side (HS) gate driver
  • Integrated current-sense amplifier
  • Low-power sleep mode
  • Configurable, controlled slew rate
  • Desaturation protection for external MOSFETs
  • Thermal shutdown
  • Under-Voltage Lockout (UVLO) protection
  • Fault indication output
  • Thermally enhanced surface-mount package
  • Available in a QFN-22 (4mm x 5mm) package
  • Available in a wettable flank package
  • Available in AEC-Q100 grade 1

Applications

  • Brushless DC (BLDC) motor and Permanent Magnet Synchronous Motor (PMSM) drives
  • High-current brushed DC motor drives
  • Automotive pumps, fans, superchargers, and actuators
  • Power drills
  • E-bikes

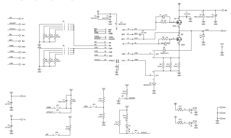
Evaluation Board Schematic

Schematic - Monolithic Power Systems (MPS) EVQ1922 Evaluation Board
Veröffentlichungsdatum: 2022-06-03 | Aktualisiert: 2022-06-10