Monolithic Power Systems (MPS) EVQ4210-U-00B Evaluation Board

Monolithic Power Systems (MPS) EVQ4210-U-00B Evaluation Board is a demonstration and development platform for the MPQ4210 Synchronous Buck-Boost Controller. The MPQ4210 provides an I2C interface, making it suitable for USB Power Delivery (PD) 3.0 power solutions in automotive USB power designs. The controller uses valley-current control in buck mode and peak-current control in boost mode, providing a fast load transient response and smooth buck-boost mode transient. The device also provides FCCM and a programmable average current limit.

The EVQ4210-U-00B Evaluation Board features a pre-mounted MPQ4210 in a compact 5mm x 5mm QFN-27 surface-mount package. The Evaluation Kit provides an example application circuit with test points for the vital pin signals of the MPQ4210. The MPS EVQ4210-U-00B Evaluation Board can be connected to a PC using the EVKT-USBI2C-02 USB to I2C Dongle Kit and controlled via the MPS Virtual Bench Pro and I2C GUI Tools software.

Features

  • 60V to 40V input voltage (VIN)
  • 5V default output voltage (VOUT)
  • 0A to 5A output current (IOUT)

Setup Example

Application Circuit Diagram - Monolithic Power Systems (MPS) EVQ4210-U-00B Evaluation Board

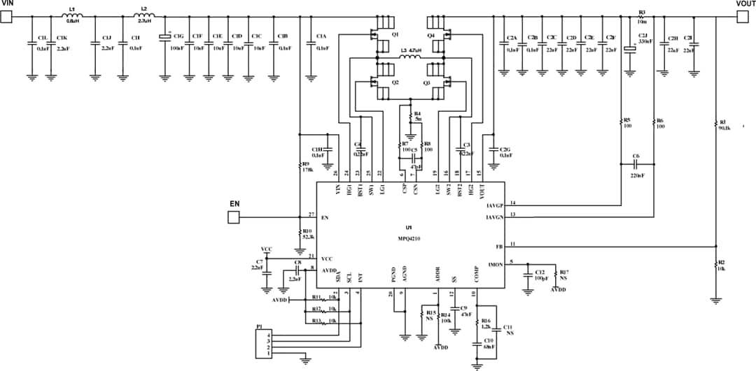
Schematic Diagram

Schematic - Monolithic Power Systems (MPS) EVQ4210-U-00B Evaluation Board
Veröffentlichungsdatum: 2020-02-05 | Aktualisiert: 2024-10-23