Monolithic Power Systems (MPS) MP3378 LED Lighting Drivers

Monolithic Power Systems (MPS) MP3378 LED Lighting Drivers deliver a one-chip solution for monitor applications and feature a step-up controller with four current channels for backlighting. A high-efficiency buck converter is used for internal bus voltage or standby power. An external MOSFET is driven by a four-string WLED controller to boost up the output voltage from the input supply. This regulates the current in each LED string to the programmed value. MPS MP3378 LED Lighting Drivers integrate rich protection modes, including LED short / open protection, and inductor / diode short protection. Applications include desktop LCD flat-panel displays, flat-panel video displays, and 2D/3D LCD TVs and monitors.

Features

  • WLED Controller
    • 4-string, 350 mA max./ string WLED controller
    • Up to 24 V input voltage range
    • 2.5% current matching accuracy
    • Programmable switching frequency
    • PWM and analog dimming mode
    • Open and short LED protection
    • Programmable overvoltage protection
    • Recoverable thermal shutdown protection
    • Overcurrent protection (OCP)
    • Overtemperature protection
    • Inductor / diode short protection
  • Buck Converter
    • 144mΩ/58mΩ low Rds(on) internal power MOSFETs
    • Low quiescent current
    • Fixed 235kHz switching frequency
    • Frequency sync from 250kHz to 2MHz external clock mode
    • AAM power-save mode
    • Internal soft-start
    • OCP and hiccup
    • Overtemperature protection
    • Output Adjustable from 0.8V

Applications

  • Desktop LCD flat-panel displays
  • Flat-panel video displays
  • 2D/3D LCD TVs and monitors

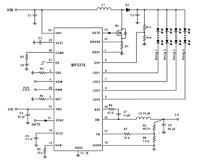
Typical Application

Monolithic Power Systems (MPS) MP3378 LED Lighting Drivers
Veröffentlichungsdatum: 2016-03-23 | Aktualisiert: 2022-03-11