Monolithic Power Systems (MPS) MPQ4487A AEC-100 Switch-Mode Buck Converters

Monolithic Power Systems (MPS) MPQ4487A AEC-100 Switch-Mode Buck Converters are monolithic, step-down, switching voltage regulators with two USB current-limit switches and Type-C 5V under 3A mode configuration channels for each port. The QFN-26 (5mm x 5mm) packaged MPQ4487A achieves a 6A output current with excellent load and line regulation across a wide 6V to 36V input supply range. Each USB switch's output is current limited, and both ports support USB Type-C™ 5V at 3ADFP mode, eliminating the need for outside user interaction. The MPS MPQ4487A converters feature hiccup current limiting, output over-voltage protection (OVP), and thermal shutdown.

Features

  • Wide 6V to 36V operating input voltage range
  • Passed Apple MFI R33 certification test
  • Passed USB-IF Type-C certification test
  • +135°C load-shedding entry temperature
  • Selectable output voltage
  • Line drop compensation
  • Accurate USB1 / USB2 output current limit
  • 18mΩ/15mΩ low RDS(ON) internal buck power MOSFETs
  • 18mΩ/18mΩ low RDS(ON) internal USB1 / USB2 power MOSFETs
  • Adjustable frequency from 250kHz to 2.2MHz
  • Frequency spread spectrum for MPQ4487AGU-FD-AEC1 / MPQ4487AGUFD2-AEC1
  • Forced Continuous Conduction Mode (FCCM) operation
  • Hiccup current limit for buck and USB
  • EN control for USB1 and USB2
  • Fault indication for USB1 and USB2
  • Supports USB Type-C™ 5V at 3A mode
  • Available in a QFN-26 (5mm x 5mm) package
  • AEC-Q100 Grade 1 available

Applications

  • USB hubs
  • USB Type-C charging ports

Specifications

  • Recommended operating conditions (maximum)
    • 6V to 36V operation input voltage range
    • 3A output current for USB1 and USB2
    • -40°C to +125°C operating junction temperature range
  • 6.25W maximum continuous power dissipation at +25°C
  • 5μA typical shutdown supply current, 10μA maximum
  • +165°C typical thermal shutdown
  • +20°C typical thermal hysteresis
  • Step-down converter
    • 4.6V to 5.4V VIN under-voltage lockout rising threshold
    • 800mV typical VIN under-voltage lockout threshold hysteresis
    • 18mΩ typical high-side switch on resistance, 40mΩ maximum
    • 15mΩ typical low-side switch on resistance, 30mΩ maximum
    • -2A low-side current limit
    • 1μA to 5μA maximum switch leakage range
    • 8A to 16A high-side current limit range
    • 91% to 99% maximum duty cycle range
    • 110ns (typical) minimum off-time
    • 130ns (typical) minimum on-time
    • 1ms to 3.4ms soft-start time range
  • USB switch (USB1 and USB2)
    • 3.7V to 4.3V under-voltage lockout rising threshold
    • 200mV typical under-voltage lockout threshold hysteresis
    • 18mΩ typical switch on resistance, 35mΩ maximum
    • 350Ω to 850Ω output-to-ground resistance
    • 5.5V to 6V USB OVP clamp
    • 20mV to 120mV line drop compensation
    • 0.7ms to 22.1ms soft-start time
    • 3ms typical enter hiccup hold time
    • 1s to 3s hiccup mode off time range
  • USB Type-C
    • 90kΩ to 96kΩ CC resistor to disable Type-C mode
    • 0.75V maximum CC voltage to enable VCONN
    • 0.9V to 2.45V CC voltage to enable VBUS range
    • 2.65V minimum CC detach threshold
    • 100ms to 200ms CC voltage falling debounce timer range
    • 10ms to 20ms CC voltage rising debounce timer range
    • 1W minimum VCONN output power
  • ESD ratings
    • Human Body Model (HBM)
      • ±7.5kV for CC1/CC2/CC3/CC4
      • ±8kV for DP1/DP2/DM1/DM2/USB1/USB2
      • ±1.8kV for all other pins
    • ±1kV Charged Device Model (CDM), all pins

Typical Application

Application Circuit Diagram - Monolithic Power Systems (MPS) MPQ4487A AEC-100 Switch-Mode Buck Converters

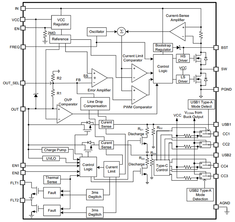
Block Diagram

Block Diagram - Monolithic Power Systems (MPS) MPQ4487A AEC-100 Switch-Mode Buck Converters
Veröffentlichungsdatum: 2023-01-23 | Aktualisiert: 2023-01-30