Monolithic Power Systems (MPS) MPQ8634 Step-Down Converters

Monolithic Power Systems (MPS) MPQ8634 Step-Down Converters are fully integrated high-frequency, synchronous, buck converters. The MPQ8634A and MPQ8634B are compact solutions that achieve up to 12A (MPQ8634A) and 20A (MPQ8634B). The devices feature excellent load and line regulation over a wide input supply range. The devices operate at high efficiency over a wide output current load range.

Features

  • Wide input voltage range
    • 2.85V to 16V with external 3.3V VCC bias
    • 4V to 16V with internal VCC bias or external 3.3V VCC bias
  • Differential output voltage remote sense
  • Programmable accurate current limit level
  • Output current
    • 12A for MPQ8634A
    • 20A for MPQ8634B
  • Low RDS(ON) integrated power MOSFETs
  • Proprietary switching loss reduction technique
  • Reference voltage
    • 0.5% over 0°C to +70°C junction temperature range
    • 1% from -40°C to +125°C junction temperature range
  • Adaptive COT for ultrafast transient response
  • Stable with zero ESR output capacitor
  • Pin-selectable pulse-skip mode or forced CCM operation
  • Excellent load regulation
  • Output voltage tracking and discharge
  • PGOOD actively clamped at a low level during power failure
  • Programmable soft-start time from 1.5ms
  • Pre-bias start-Up
  • Selectable switching frequency from 600kHz, 800kHz, and 1000kHz
  • Latch-off OCP, UVP, UVLO, thermal shutdown, and latch-off for OVP
  • Output adjustable from 0.9V to 90% VIN, up to 6V maximum
  • Available in a QFN-21 (3mm x 4mm) package

Applications

  • Telecom and networking systems
  • Servers, cloud computing, and storage
  • Base stations
  • General purpose Point-of-Load (PoL)
  • 12V distribution power systems
  • High-end TVs
  • Game consoles and graphic cards

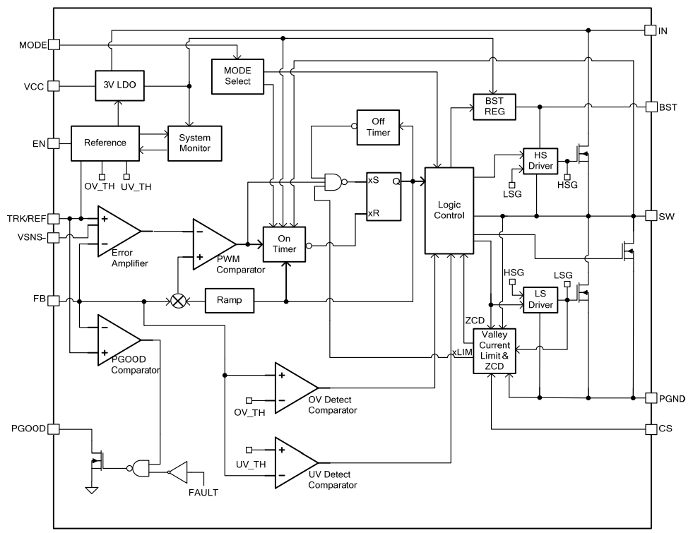
Block Diagram

Block Diagram - Monolithic Power Systems (MPS) MPQ8634  Step-Down Converters
Veröffentlichungsdatum: 2019-02-20 | Aktualisiert: 2023-10-18