Nexperia 74HCS595 8-Bit-Schieberegister
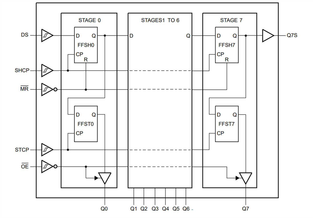
Das 8-Bit-Schieberegister 74HCS595 von Nexperia bietet ein Speicherregister und dreistufige Ausgänge, wobei das Schiebe- und das Speicherregister separate Takte liefern. Das 8-Bit-Schaltregister mit seriellem Eingang/seriellem oder parallelem Ausgang-bietet einen seriellen Eingang (DS) und einen seriellen Ausgang (Q7S), um das Kaskadieren und einen asynchronen Reset-MR-Eingang zu ermöglichen. Darüber hinaus wird durch ein LOW-on-MR das Schieberegister zurückgesetzt und die Daten werden bei den LOW-to-HIGH-Übergängen des SHCP-Eingangs verschoben.Wenn beide Taktgeber angeschlossen sind, ist das Schieberegister dem Speicherregister stets einen Taktimpuls voraus. Daten im Speicherregister werden am Ausgang materialisiert, wenn der Ausgangsfreigabeeingang (OE) LOW ist. HIGH-on-OE bewirkt, dass die Ausgänge einen hochohmigen OFF-Zustand annehmen, und die Funktionsweise des OE-Eingangs wirkt sich nicht auf den Zustand der Register aus. Die Eingänge umfassen Klemmdioden, welche die Verwendung von Strombegrenzungswiderständen ermöglichen, um Eingänge mit Spannungen über VCC zu verbinden. Alle Eingänge sind Schmitt-Trigger-Eingänge, die langsam wechselnde Eingangssignale in scharf definierte, jitterfreie Ausgangssignale umwandeln können.
Das 8-Bit-Schieberegister 74HCS595-Q100 von Nexperia ist gemäß AEC-Q100 Klasse 1 qualifiziert sowie von -40 °C bis +85 °C und von -40 °C bis +125 °C spezifiziert.
Merkmale
- Qualifizierung von Fahrzeugprodukten gemäß AEC-Q100 Klasse 1 (74HCS595-Q100)
- Spezifiziert von -40 °C bis +85 °C und von-40 °C bis +125 °C
- Breiter Versorgungsspannungsbereich von 2,0 V bis 6,0 V
- Schmitt-Trigger-Eingänge
- Geringer Stromverbrauch
- Typischer Versorgungsstrom (ICC) von 100 nA
- Typischer Ableitstrom (II) von ±10 nA
- ±7,8 mA Ausgang bei 6 V
- 8-Bit serieller Eingang und 8-Bit serieller oder paralleler Ausgang
- Speicherregister mit dreistufigen Ausgängen
- Schaltregister mit direkter Löschung
- Die Latch-up-Leistung übersteigt 100 mA pro JESD 78 Klasse II, Stufe B
- Entspricht den JEDEC-Standards von JESD7A (2,0 V bis 6,0 V)
- ESD-Schutz:
- HBM ANSI/ESDA/JEDEC JS-001 Klasse 3 A übersteigt 4000 V
- CDM ANSI/ESDA/JEDEC JS-002 Klasse C3 übersteigt 1500 V
- Zahlreiche Gehäuseoptionen
Applikationen
- Seriell-zu-Parallel-Datenkonvertierung
- Speicherregister der Fernbedienung
- Ausgangserweiterung
- LED-Matrix-Steuerung
- 7-Segment-Display-Steuerung
- 8-Bit-Datenspeicher
Datenblätter
Blockdiagramm
