Nexperia 74LVC8T595 Umsetzungs-Schieberegister

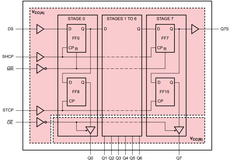
Die Umsetzungs-Schieberegister 74LVC8T595 von Nexperia sind Dual-Versorgungs-8-Bit-Schieberegister mit serieller Eingabe/serieller oder paralleler Ausgabe mit einem Speicherregister und dreistufigen Ausgängen. Diese stromsparenden CMOS-Lösungen sind vollständig spezifiziert von 1,1 V bis 5,5 V und eignen sich für die Verbindung von Niederspannungs-MCUs mit älteren Peripheriegeräten. Die 74LVC8T595 schieben und speichern Register, verfügen über separate Takte und Daten werden auf die positivgehenden Übergänge des SHCP-Eingangs geschoben. Die Daten im Schieberegister werden auf ein Speicherregister eines positiv-gehenden Übergangs des STCP-Eingangs übertragen. Wenn beide Takte miteinander verbunden werden, ist das Schieberegister stets einen Taktimpuls vor dem Speicherregister.

Merkmale

  • Großer Spannungsversorgungsbereich:
    • VCC(A): 1,1 V bis 5,5 V
    • VCC(B): 1,1 V bis 5,5 V
  • Hohe Störfestigkeit
  • Erfüllt alle JEDEC-Standards:
    • JESD8-12A (1,1 V bis 1,3 V)
    • JESD8-11A (1,4 V bis 1,6 V)
    • JESD8-7 (1,65 V bis 1,95 V)
    • JESD8-5 (2,3 V bis 2,7 V)
    • JESD8C (3,0 V bis 3,6 V)
    • JESD12-6 (4,5 V bis 5,5 V)
  • ESD-Schutz:
    • HBM ANSI/ESDA/JEDEC JS-001 Klasse 3A übertrifft 4.000 V
    • CDM JESD22-C101E übertrifft 1.000 V
  • Aussetz-Modus
  • Latch-Up-Leistung übertrifft 100 mA gemäß JESD 78, Klasse II
  • ±24 mA Ausgangstreiber (VCC(A) = VCC(B) = 3,0 V)
  • Die Eingänge akzeptieren Spannungen bis zu 5,5 V
  • Der IOFF-Schaltkreis bietet einen Betrieb im teilweisen Abschaltmodus
  • Zahlreiche Gehäuseoptionen
  • Spezifiziert von -40 °C bis +85 °C und von -40 °C bis +125 °C

Logik-Diagramm

Nexperia 74LVC8T595 Umsetzungs-Schieberegister
Veröffentlichungsdatum: 2018-05-08 | Aktualisiert: 2023-03-15