Nexperia NXB0104 AutoSense Umsetzungs-Transceiver
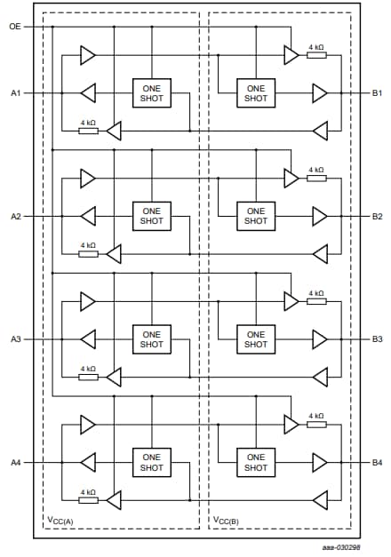
Nexperia NXB0104 AutoSense Umsetzungs-Transceiver mit Dual-Versorgung verfügen über eine automatische Richtungserkennung, die eine bidirektionale Spannungspegelumsetzung ermöglicht. Die Transceiver enthalten zwei 4-Bit-Ein-/Ausgangs-Anschlüsse (An und Bn), einen Ausgangsfreigabeeingang (OE) und zwei Versorgungspins (VCC(A) und VCC(B)). Der VCC(A) kann bei Spannungen zwischen 1,2 V und 3,6 V versorgt werden, während der VCC(B) bei Spannungen zwischen 1,65 V und 5,5 V versorgt wird. Dadurch eignet sich das Bauteil für die Umsetzung zwischen beliebigen Niederspannungsknoten (1,2 V, 1,5 V, 1,8 V, 2,5 V, 3,3 V und 5,0 V). Diese Bauteile sind vollständig für Applikationen mit teilweiser Abschaltung, die IOFF verwenden, spezifiziert. Der NXB0104-Q100 wurde für den Automotive Electronics Council (AEC) Q100-Standard (Klasse 1) qualifiziert und ist für den Einsatz in Fahrzeuganwendungen geeignet.The Nexperia NXB0104-Q100 has qualified for the Automotive Electronics Council (AEC) standard Q100 (Grade 1) and is suitable for automotive applications.
Merkmale
- Großer Versorgungsspannungsbereich:
- VCC(A): 1,2 V bis 3,6 V und VCC(B): 1,65 V bis 5,5 V
- Die IOFF-Schaltung bietet einen Betrieb im teilweisen Abschaltmodus
- Die Eingänge akzeptieren Spannungen von bis zu 5,5 V
- ESD-Schutz:
- HBM: ANSI/ESDA/JEDEC JS-001 Klasse 2 übertrifft 2,5 kV für A-Anschluss
- HBM: ANSI/ESDA/JEDEC JS-001 Klasse 3B übertrifft 15 kV für B-Anschluss
- CDM: ANSI/ESDA/JEDEC JS-002 Klasse C3 übertrifft 1,5 kV
- Latch-Up-Leistung übertrifft 100 mA gemäß JESD 78B, Klasse II
- NXB0104-Q100
- ESD-Schutz:
- MIL-STD-883, Methode 3015 Klasse 2 übertrifft 2,5 kV für A-Anschluss
- MIL-STD-883, Methode 3015 Klasse 3B übertrifft 15 kV für B-Anschluss
- Automotive-Produktqualifizierung gemäß AEC-Q100 (Klasse 1)
- Spezifiziert von -40 °C bis +85 °C und von -40 °C bis +125 °C
Blockdiagramm
Veröffentlichungsdatum: 2019-12-04
| Aktualisiert: 2023-05-05
