Nexperia PBSS5350X PNP-Bipolartransistor

Der Nexperia PBSS5350X PNP-Bipolartransistor hat eine niedrige Kollektor-Emitter-Sättigungsspannung (VCEsat) und ist in einem kompakten SOT89 (SC-62)-Kunststoffgehäuse zur Oberflächenmontage untergebracht. Dieses Transistor zeichnet sich durch eine hohe Kollektorstromfähigkeit aus und bietet einen hohen Wirkungsgrad, was zu einer geringeren Wärmeentwicklung führt. Der PBSS5350X-Transistor ist AEC-Q101-qualifiziert und eignet sich für Applikationen, die einen hohen Wirkungsgrad und kompakte PCB-Layouts erfordern. Zu den Applikationen gehören unter anderem DC/DC-Wandler, Akkuladegeräte, LCD-Hintergrundbeleuchtung und Peripherie-Treiber.

Merkmale

  • Niedrige Kollektor-Emitter-Sättigungsspannung (VCEsat)
  • Hohe Kollektorstromfähigkeit (IC = -3 A)
  • -50 V (VCEO) Kollektor-Emitter-Spannung
  • Höherer Wirkungsgrad, der zu geringerer Wärmeentwicklung führt
  • Reduzierte Leiterplattenanforderungen
  • AEC-Q101-qualifiziert
  • -65 °C bis 150 °C Lagertemperaturbereich
  • SOT89 (SC-62) Flachanschluss-Oberflächenmontage-Gerät (SMD) Kunststoffgehäuse

Applikationen

  • Leistungsmanagement:
    • DC/DC-Wandler
    • Versorgungsleitungsschaltung
    • Akkuladegeräte
    • LCD-Hintergrundbeleuchtung
  • Peripherie-Treiber:
    • Treiber in Applikationen mit niedriger Versorgungsspannung (z. B. Lampen und LEDs)
    • Induktive Lasttreiber (z. B. Relais, Summer und Motoren)

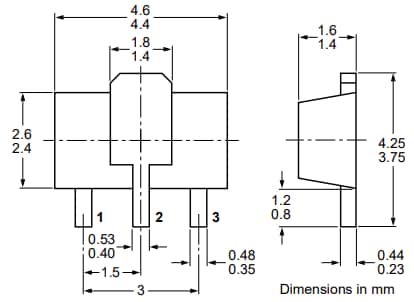
Gehäuseabmessungen

Technische Zeichnung - Nexperia PBSS5350X PNP-Bipolartransistor
Veröffentlichungsdatum: 2025-09-09 | Aktualisiert: 2026-02-24