Nisshinbo MUSES8832 Rail-to-Rail Dual Operational Amplifiers

Nisshinbo MUSES8832 Rail-to-Rail Dual Operational Amplifiers are optimized for high-end audio and portable audio applications. These devices feature 2.1nV/√Hz low noise, 10MHz wide gain bandwidth, 0.0009% low distortion, and 600Ω drive capability. The series has an operating temperature range of -40°C to +125°C. Nisshinbo MUSES8832 Rail-to-Rail Dual Operational Amplifiers are ideally suited for audio preamplifiers, active filters, microphone amplifiers, and line amplifiers with excellent sound.

Features

  • +2.7V to +14V and ±1.35V to ±7V operating voltage
  • 2.1nV/√Hz typ. noise at f=1kHz, 0.3μVrms typ. (20Hz to 20kHz)
  • 32mA typ. output current (capability of driving 600Ω loads)
  • 10MHz typ. GBW
  • 0.0009% typ. distortion at V+=+5V, Vo=1.3Vrms
  • 1V/μs typ. slew rate
  • Bipolar technology
  • -40°C to +125°C operating temperature range

Applications

  • Home audio
  • PC audio
  • Portable audio
  • Car audio

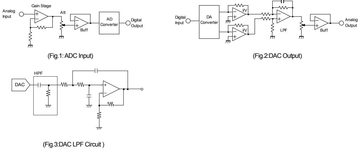
Application Circuit

Application Circuit Diagram - Nisshinbo MUSES8832 Rail-to-Rail Dual Operational Amplifiers
Veröffentlichungsdatum: 2014-12-09 | Aktualisiert: 2022-03-11