NXP Semiconductors GD3000 Bürstenlose 3-Phasen-Motor-Vortreiber
NXP Semiconductors GD3000 Bürstenlose 3-Phasen-Motor-Vortreiber sind Gate-Treiber-ICs mit hohem Wirkungsgrad für Dreiphasen-Motorantriebs-Applikationen. Der GD3000 von NXP Semiconductors verfügt über drei Halbbrückentreiber, die jeweils zwei n-Kanal-MOSFETs ansteuern können. Mit einer Spitzenstrombelastbarkeit von 1 A bis 2,5 A wird dieser Vortreiber mit einer einzigen Stromversorgung mit einem großen Bereich von 6 V bis 60 V betrieben und enthält einen Überspannungs-Schutz von 75 V. Durch die Verwendung einer Bootstrap-Gate-Treiber-Architektur mit Erhaltungsladungsschaltung unterstützt der GD3000 ein 100-%-Tastverhältnis. Darüber hinaus verwendet das Bauteil einen programmierbaren Schutz gegen den Nebensignaleffekt um einen Stromfluss während der High-Side- oder Low-Side-MOSFET-Schaltung zu verhindern. Die integrierte VDS-Erkennung von beiden MOSFETs schützt die externe Leistungsstufe vor Überstrombedingungen. Die Verwendung eines Strom-Shunt-Verstärkers ermöglicht eine genaue Strommessung für die Phasenfehlererkennung.Merkmale
- Vollständig spezifiziert von 8 V bis 40 V für 12 V und 24 V Automotive-Systeme
- Erweiterter Betriebsbereich von 6 V bis 60 V für 12-V- und 42-V-Systeme
- Enthält eine Ladungspumpe zur Unterstützung des vollständigen FET-Antriebs bei niedrigen Batteriespannungen
- Gleichzeitige Ausgangsleistung über sicheren SPI-Befehl aktiviert
- Temperaturbereiche
- -40 °C bis +125 °C
- -20 °C bis +105 °C
- Großer Totzeitbereich (50 ns bis 12 μs) programmierbar über den SPI-Anschluss
- Externe FET-Gate-Antriebsfähigkeit von > 1 A mit Schutz
- Bauteilschutz gegen Sperrladungsinjektion von CGD und CGS von externen FETS
- Integrierte Überstrom-, Entsättigungs- und Phasenfehlererkennung
- Immunität gegen positive oder negative Transientenspannungsspitzen auf dem Gate-Treiber
- Stromdurchzündungsschutz in der Totzeit-Steuerung integriert
- Unterstützt direkte 3,3-V- und 5-V-Logikschnittstelle zu MCUs
- Integrierter Strommessverstärker
- Bauteilkonfiguration und Diagnosefunktionen über SPI
- Parallele und SPI-Schnittstellen- und Eingangs-Controller
Applikationen
- Brems- und Stabilitätssteuerung
- Dieselmotor-Management
- Elektrische Servolenkung (EPS)
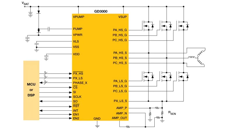
Blockdiagramm
Veröffentlichungsdatum: 2024-01-22
| Aktualisiert: 2024-03-29
