NXP Semiconductors MC33775A 14-Kanal-Batteriezellen-Controller-ICs
NXP Semiconductors MC33775A 14-Kanal-Batteriezellen-Controller-ICs sind Lithium-Ionen-Controller-ICs, die zur Messung von differentiellen hochpräzisen Zellspannungen und Temperaturen ausgelegt sind. Diese ICs bieten umfangreiche passive Funktionen zum Ausgleich der Zellspannungen, um die einzelnen Zellspannungen im Batteriestapel auszugleichen. Die MC33775A ICs unterstützen 4 bis 14 Zellen pro Bauteil, Sammelschienen mit ±5 V Eingangsspannung und einen integrierten konfigurierbaren Digitalfilter. Diese ICs haben eine I2C-Bus-Master-Schnittstelle zur Steuerung von externen Bauteilen, einen konfigurierbaren Alarmausgang und eine zyklische Aktivierung zur Überwachung des Akkus während des Ruhemodus und Ausgleichs. Die MC33775A ICs unterstützen ISO 26262 ASIL D für Zellspannungs-, Modulspannungs- und Temperaturmessungen. Zu den typischen Applikationen gehören Hybrid-Elektrofahrzeuge (HEVs), Elektrofahrzeuge (EVs), Energiespeichersysteme (ESS) und unterbrechungsfreie Stromversorgungssysteme (USV).Die MC33775A ICs umfassen Betriebsmodi, wie z. B. Aktiv-, Ruhe-, Zyklus- und Tiefschlaf-Modus. Diese Batteriezellen-Controller-ICs liefern eine Serielle Peripherieschnittstelle (SPI) und eine isolierte Differential-Verkettungsschnittstelle für die Kommunikation mit dem Host-MCU. Die MC33775A ICs bieten ein erhöhtes Sicherheitsniveau und eine kleine Stückliste.
Merkmale
- Zellenspannungsmessung:
- 4 bis 14 Zellen pro Bauteil
- Unterstützt Sammelschienen mit ±5 V Eingangsspannung
- 16-Bit-Auflösung und typische Messgenauigkeit von ±1 mV mit extrem niedrigem Langzeitdrift
- 120 ° s Synchronität von Zellspannungsmessungen
- Integrierter konfigurierbarer Digitalfilter
- Externe Temperatur- und Hilfsspannungsmessungen:
- Acht Analogeingänge
- 5 V Eingangsbereich, konfigurierbar als absolut oder ratiometrisch
- 16-Bit-Auflösung und typische Messgenauigkeit von ±5 mV
- Integrierter konfigurierbarer Digitalfilter
- Modul-Spannungsmessung:
- 9,6 V bis 65 V Eingangsbereich
- 16-bit-Auflösung und 0,3 % Messgenauigkeit
- Integrierter konfigurierbarer Digitalfilter
- Interne Messung:
- Zwei redundante interne Temperatursensoren
- Versorgungsspannungen
- Externer Transistor-Strom
- Zellenspannungsausgleich:
- 14 interne Ausgleichs-Feldeffekt-Transistoren (FETs), bis zu 300 mA pro Kanal (max.)
- Gleichzeitiges passives Balancing aller Kanäle
- timeout-Timeout-timer mit globalem balancing
- Timer-gesteuerter Ausgleich mit einzelnen Timern mit 10 s-Auflösung und einer Dauer von bis zu 45 Stunden
- Spannungsgesteuerter Ausgleich mit zwei Schwellenwerten, um die betroffene Zelle oder den gesamten Ausgleich zu stoppen
- Temperaturgesteuerter Ausgleich; wenn sich die Ausgleichswiderstände in Übertemperatur befinden, wird der Ausgleich unterbrochen
- Pulsweitenmodulations-(PWM)-gesteuertes Balancing
- Balancing der automatischen Pause während der Messung
- Gesamte Vor-Balancing-Verzögerung
- Automatische Entladung des Akkus des Batteriesatzes (Notentladung)
- I2C-Bus-Master-Schnittstelle zur Steuerung von externen Bauteilen, z. B. EEPROMs und Sicherheits-ICs
- Konfigurierbarer Alarmausgang
- Zyklische Aktivierung zur Überwachung des Akkus während des Ruhe- und Balancing-Zustands
- Host-Schnittstelle unterstützt SPI- oder Verkettungskommunikationsschnittstelle ( Transformator-Physical-Layer, TPL) 3 (TPL3):
- 2 Mbit Datenrate für TPL3-Schnittstelle
- 4 Mbit Datenrate für SPI
- Die TPL3-Kommunikation unterstützt:
- Zwei-Draht-Verkettung mit kapazitiver und induktiver Isolierung
- Protokoll unterstützt bis zu sechs Verkettungen und 62 Knoten pro Kette
- Eindeutige Geräte-ID
- Betriebsmodi:
- Aktiver Modus
- Schlafmodus
- Zyklischer Modus
- Tiefschlafmodus
- Gemäß AEC-Q100 Klasse 1 qualifiziert
- Umgebungstemperaturbereich: -40 °C bis 125 °C
- ISO 26262 ASIL-D-Unterstützung für Zellspannungs-, Modulspannungs- und Temperaturmessungen
Applikationen
- Automobilbereich:
- Hybrid-Elektrofahrzeug (HEV)
- Elektrofahrzeuge (EV)
- Industrieanwendungen:
- Energiespeichersystem (ESS)
- Unterbrechungsfreie Stromversorgungssysteme (USV)
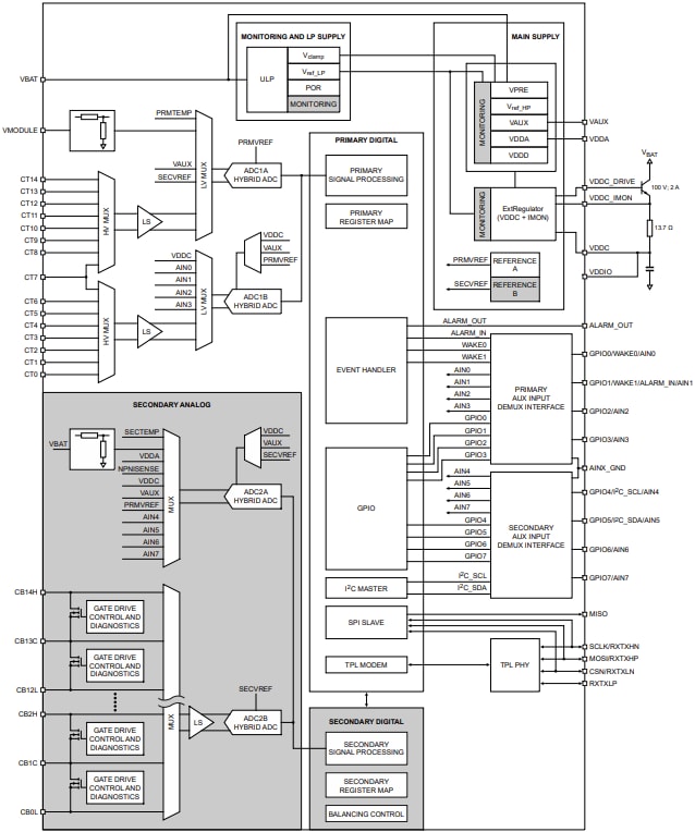
Blockdiagramm
Weitere Ressourcen
Veröffentlichungsdatum: 2024-08-14
| Aktualisiert: 2024-09-10
