NXP Semiconductors NAFE11388-EVB Evaluierungsboard
NXP Semiconductors NAFE11388-EVB Evaluierungsboard evaluiert das industrietaugliche analoge 8-Kanal-Universaleingangs-Frontend (AFE) NAFE11388. Der NXP AFE erfüllt die Anforderungen an hochpräzise Messungen. Die Software-definierte Fabrik wird durch das analoge Frontend N-AFE von NXP ermöglicht. Über Industrie 4,0 hinaus steht die Fertigung heute vor einer bedeutenden Transformation, die Industrie 4,0 genannt wird. Marktbedürfnisse wie zunehmende Produkt Variabilität verändern die Produktion. Um diesen Anforderungen gerecht zu werden, ist eine Möglichkeit erforderlich, Produktionslinien so schnell wie möglich neu zu konfigurieren, um die Gewinnmargen aufrechtzuerhalten. Die Fähigkeit der intelligenten Fabriken, sich neu zu konfigurieren, ist der Schlüssel zum Erfolg. Das analoge Front-End des N-AFE für Applikationen in der Fabrikautomatisierung kann für verschiedene Eingänge wie Spannung, Strom, Widerstand, RTD und mehr konfiguriert werden, um eine softwaredefinierte Fabrik zu ermöglichen.Merkmale
- Bis zu 8 software-konfigurierbare Kanäle
- Spannung, Strom, RTD, Thermoelement
- +/-0,15 bis +/-12,5 Bereiche für einendige Signale
- ±40 VV Schutz gegen Fehlverdrahtung
- Hohe Genauigkeit
- 0,002 % System-Genauigkeit im Raum
- 0,05 % System-Genauigkeit über die Temperatur
- 10 ppmm max. Nichtlinearität auf Systemebene
- Hohe Präzision, 180 dBB Dynamikbereich
- 17-bit ENOB bei 7us/reading für Einzel-Eingang
- 17-bit ENOB bei 36us/reading für Mehrfacheingang
- 1.0uVrms bei 2.25ksps
- 0.2uVrms bei 60Sps und 50sps
- Schnelle und flexible Datenerfassung
- 20us/reading für Mehrfacheingänge
- Schneller und konfigurierbarer Sequenzer zum Entladen des EP
- Schnelle und flexible Lese-Modi
- Digitale Werkskalibrierung und Selbstkalibrierung
- 24-bit Wide x 48-word Deep NVM für Kalibrierungskoeffizienten
- Interne Quellen für System-Selbstkalibrierung
- Fortschrittlicher Schutz und Diagnosefunktionen
- Versorgungsüberwachung, UVLO, OVD im Signalpfad
- Redundanz- Sensor Temperatur und Spannungsreferenz
- BIST für die vollständige Überwachung des Signalpfads und die Vorhersage von Ausfällen und Alterung
Applikationen
- Industrie 4,0 transformation in der Fertigung
- Erhöhte Produkt Variabilität in der traditionellen Produktion
- Rechtzeitige Rekonfiguration der Produktionslinien zur Aufrechterhaltung der Gewinnmargen
- Intelligente Fabriken und die Möglichkeit der Neukonfiguration
- N-AFE-analog Frontend für Fabrikautomatisierung
- Unterstützung für verschiedene Arten von Eingängen (Spannung, Strom, Widerstand, RTD)
- Software-definierte Fabriken
- Verbesserte Genauigkeit und Präzision für verbesserte Produkt Qualität
- Prädiktive Instandhaltung zur Identifizierung von Problemen, bevor sie auftreten, um Ausfallzeiten zu vermeiden
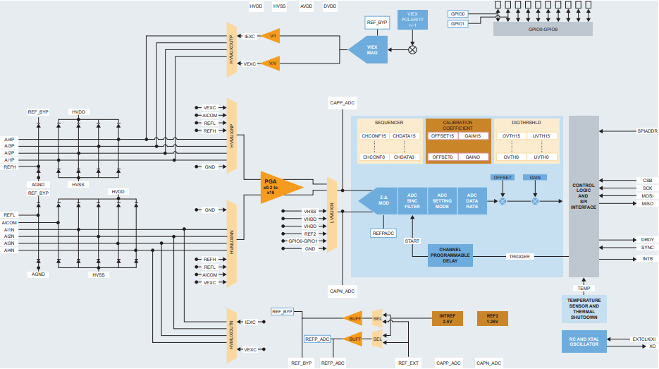
Blockdiagramm
Veröffentlichungsdatum: 2022-12-02
| Aktualisiert: 2023-01-16
