NXP Semiconductors P3A1604UK Einschwinger-Prüfkopf mit Pegelumsetzung und doppelter Stromversorgung
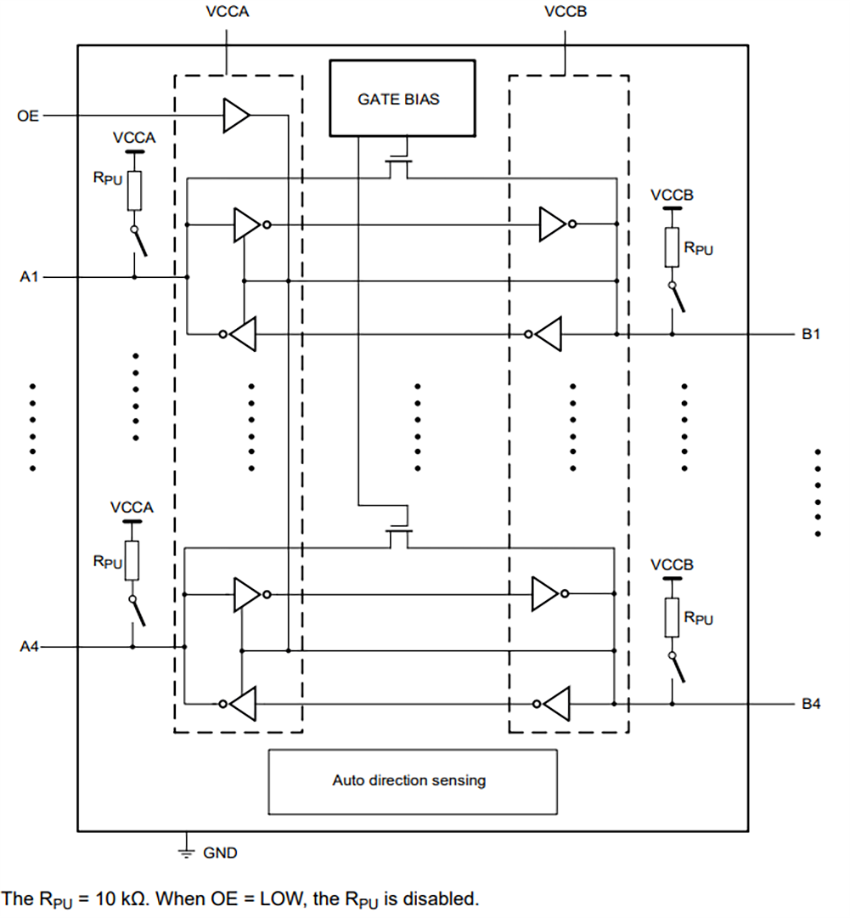
Der NXP Semiconductors P3A1604UK Einschwinger-Prüfkopf mit Pegelumsetzung und doppelter Stromversorgung ist ein vielseitiges 4-Bit-Bauteil, das für die bidirektionale Spannungspegelumsetzung mit automatischer Richtungserkennung ausgelegt ist. Der NXP P3A1604UK IC unterstützt einen großen Versorgungsspannungsbereich mit VCCA von 0,72 V bis 1,98 V und VCCB von 1,62 V bis 3,63 V, wodurch er sich für die Verbindung zwischen verschiedenen Spannungsknoten eignet. Der P3A1604UK eignet sich hervorragend für I3C-, I2C-, SMBus- und SPI-Applikationen und bietet eine aximale Datenrate von 40 Mbps im Push-Pull-Modus. Das robuste Design umfasst ESD-Schutz über 2.000 V (HBM) und 500 V (CDM), und der IC arbeitet zuverlässig über einen Temperaturbereich von -40 °C bis +125 °C. Dieser Einschwinger-Prüfkopf eignet sich hervorragend für Applikationen für Mobilgeräte sowie in der Industrie- und Unterhaltungselektronik. Er liefert problemlose Integration und effiziente Spannungspegelumsetzung.Merkmale
- Automatische Richtungserkennung und bidirektionale Spannungspegelumsetzung
- Großer Versorgungsspannungsbereich
- 0,72 V bis 1,98 V für VCCA
- 1,62 V bis 3,63 V für VCCB
- Keine Leistungssequenzierung erforderlich
- Maximale Datenrate (DDR) pro Bit
- 6.8Mbit/s (3,4 MHz) Open-Drain
- 40Mbit/s (20 MHz) Push-Pull
- Unterstützt I3C-, I2C-, SMBus-, SPI- und UART-Schnittstellen
- Längerer One-Shot-Impuls zur Ansteuerung größerer kapazitiver Lasten mit reduziertem Nach- und Überschwingen
- A-seitige und OE-Eingänge akzeptieren Spannungen bis zu 1,98 V
- B-seitige Eingänge akzeptieren Spannungen bis zu 3,63 V
- Schutz gegen elektrostatische Entladungen (ESD)
- HBM übertrifft 2.000 V gemäß JESD22-A114E Klasse 2
- CDM übertrifft 500 V gemäß JESD22-C101E
- 100 mA I/O-Latchup-Strom, JESD 78
- WLCSP12-Gehäuse (SOT2063-4), 1,405 mm x 1,055 mm mit 0,35 mm-Rastermaß
- -40 °C bis +125 °C Betriebstemperaturbereich
Applikationen
- Mobil
- I3C, I2C und SMBus
- SPI
- Server
Technische Daten
- 10ns/V maximale Eingangsübergangs-Anstiegs-/Abfallrate
- 1 μA maximaler Eingangsableitstrom
- Maximaler Ausgangsstrombereich im ausgeschalteten Zustand: 2 μA bis 3 μA
- 2 pF typische Eingangskapazität
- Typische I/O-Kapazität
- 7 pF für A-Anschluss
- 5,5 pF für B-Anschluss
- Maximale Freigabezeit: 3 μs
- Deaktivierungszeitbereich: 0,4 μs bis 0,8 μs
- 0,3 ns maximale Ausgangsversatzzeit zwischen Kanälen
- Datenratenbereich: 0.128Mbit/s bis 40Mbit/s
- Thermischer Widerstand
- 77,9°C/W Sperrschicht-Umgebungstemperatur
- 9,3°C/W Sperrschicht-Oberseite-Charakterisierung
Blockdiagramm
Typische Applikationsschaltung
Bauweise
Veröffentlichungsdatum: 2025-04-21
| Aktualisiert: 2025-04-24
