NXP Semiconductors PCA9959 LED-Beleuchtungstreiber
Der PCA9959 LED-Beleuchtungstreiber von NXP Semiconductors ist ein verketteter, über einen SPI-kompatiblen, seriellen 4-Draht-Bus gesteuerter LED-Treiber mit einem voreingestellten Konstantstrom. Dieser Treiber ist für das Dimmen und Blinken der 63 mA RGBA-LEDs (Rot, Grün, Blau und Gelb) optimiert. Jeder LED-Ausgang bietet eine voreingestellte Stromkonfiguration mit 6-Bit-Auflösung (64 Schritte) mit einer absoluten Genauigkeit von ±8 %. Der PCA9959 wird mit einem Versorgungsspannungsbereich von 2,7 V bis 5,5 V betrieben und enthält eine offene Kurzschluss-Last- und Übertemperatur-Erkennungsschaltung. Der Treiber verwendet einen seriellen Vierdraht-Lese-/Schreib-Bus mit einer höheren Datentaktfrequenz bis zu 10 MHz. Zu den Applikationen gehören RGBA-LED-Treiber, LED-Statusinformationen, IR-Kodierungskommunikation, LCD-Hintergrundbeleuchtungen und Tastatur-Hintergrundbeleuchtungen für Mobiltelefone. Der NXP Semiconductors PCA9959 LED-Beleuchtungstreiber wird in einem kompakten 5 mm x 5 mm X 0,85 mm HVQFN40-Gehäuse mit einem Betriebstemperaturbereich von -40 °C bis +85°C angeboten.Merkmale
- 24 LED-Treiber mit jedem Ausgang programmierbar bei
- Ausschalt-
- Anschalt-
- Programmierbare 6-Bit-LED-Helligkeit
- Programmierbare LED-Ausgangsverzögerung zur Reduzierung von EMI und Stoßströmen
- Abstufungssteuerung für alle Kanäle
- Jeder Kanal kann 1 von 4 Abstufungssteuergruppen zugewiesen werden
- 64 Raster zur Abstufungssteuerung für jeden Kanal
- Programmierbare Netzlaufzeit
- 4 voreingestellte Stromoptionen für jeden Kanal während der Abstufungssteuerung
- Erkennungsmodus für offene/Kurzschluss-Last/Übertemperatur zur Erkennung von individuellen LED-Fehlern
- 24 voreingestellte Konstantstrom-Ausgangskanäle können bis zu 63 mA senken und tolerieren im ausgeschalteten Zustand bis zu 5,5 V
- Voreingestellter Ausgangsstrom über einen externen Widerstand (REXT -Eingang) eingestellt
- Voreingestellte Ausgangsstromgenauigkeit
- Absolute Genauigkeit von ±8 % mit 60 mA Ausgangsstrom
- Absolute Genauigkeit von ±6,5 % mit 30 mA Ausgangsstrom
- Maximale ±5 % Kanal-zu-Kanal-Abweichung
- Maximale ±7 % Bauteil-zu-Bauteil-Abweichung
- Niedriger voreingestellter Standby-Strom
- Active-Low-Ausgangsfreigabe-Eingangspin (OE)
- 2,7 V bis 5,5 V Betriebsversorgungsspannungsbereich (VDD)
- 5,5 V tolerante Eingänge auf nicht-LED-Pins
- -40 °C bis +85 °C Betriebstemperaturbereich
- 4-Draht serielle Bus-Schnittstelle mit 10 MHz Datentaktrate
- Internes Power-on-Reset
- Latch-Up-Leistung übertrifft 100 mA gemäß JESD 78, Klasse II
- ESD-Schutz über 2 kV HBM pro JESD22-A114
- 5 mm x 5 mm x 0,85 mm HVQFN40-Gehäuse
Applikationen
- RGB- oder RGBA-LED-Treiber
- LED-Statusanzeige
- Tastatur-Hintergrundbeleuchtung für Handys oder Handheld-Geräte
- Einblendung und Ausblendung für Lichteffekt-Steuerung
- LED-Display
- LCD-Hintergrundbeleuchtung
- IR-Kodierungskommunikation, die vorprogrammierte Sequenz/Helligkeit verwendet
Videos
Blockdiagramm
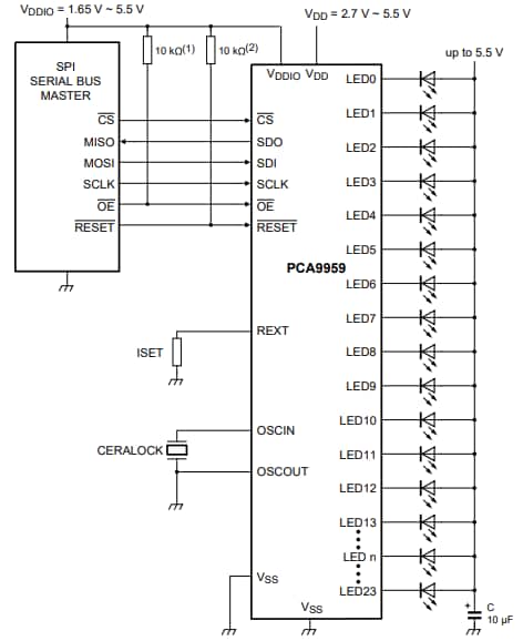
Applikationsdiagramm
Weitere Ressourcen
Veröffentlichungsdatum: 2020-10-26
| Aktualisiert: 2024-09-04
