NXP Semiconductors PN5190 NFC-Frontend
Das NFC-Frontend PN5190 von NXP Semiconductors ist ein hochintegriertes, forumskonformes Near-Field-Communication-(NFC)-Frontend-IC für die berührungslose Kommunikation bei 13,56 MHz. Das PN5190 eignet sich hervorragend für den Einsatz in anspruchsvollen RF- und platzbeschränkten Umgebungen wie POS-Terminals oder e-Locks. Das Bauteil zeichnet sich durch eine hohe HF-Ausgangsleistung, adaptive Wellenformungsfunktionen und eine hohe Empfängerempfindlichkeit aus und nutzt gleichzeitig effiziente Energiesparmodi zur Verlängerung der Batterielebensdauer.Die hohe Ausgangsleistung und Empfängerempfindlichkeit des PN5190 ermöglicht einen großen Kommunikationsbereich selbst mit einer kleinen Antenne, was zu einer hohen Leistung in platzbeschränkten Designs führt. Der große Temperaturbereich des Bauteils ermöglicht den Betrieb in Industrieapplikationen und im Außenbereich. Die robuste HF-Schnittstelle und Datenraten von bis zu 848 kBit/s erfüllen zusätzlich die Anforderungen von eGov-Lesegeräten und Applikationsszenarien, die von einer schnellen Geräte-zu-Geräte-Kommunikation abhängig sind. Bei Verwendung zusammen mit ISO/IEC 15693 Bauteilen bietet das PN5190 Frontend schnelle Sensor-Auslesevorgänge oder Firmware-Aktualisierungen von bis zu 212 kBit/s.
Darüber hinaus bietet der PN5190 eine ausgezeichnete Rauschimmunität, selbst in Applikationen, die externe Störungen zum HF-Feld aufweisen. Das hochentwickelte analoge Stromversorgungsdesign des Bauteils reduziert die Störungen des Empfängersignals weiter und ergibt eine Empfängerempfindlichkeit von 0,3 mV rms. Die adaptive Empfängersteuerung (ARC) passt die Empfängerempfindlichkeit an, um eine bessere Empfangsleistung zu liefern.
Zur Vereinfachung des Designs kommuniziert das PN5190 Frontend mit allen FeliCa®- und MIFARE®-Kartenprodukten und implementiert CRYPTO in der Hardware zum Lesen/Schreiben von allen MIFARE-basierten Karten. IP-Lizenzrechte für Produkte von NXP ISO/IEC 14443-A, Innovatron ISO/IEC 14443-B und NXP MIFARE sind bereits im Bauteil enthalten.
Das PN5190 NFC-Frontend von NXP Semiconductors wird in VFBGA-64- und HVQFN-40-Gehäusen angeboten und verfügt über einen großen Betriebstemperaturbereich von -40 °C bis +105 °C.
Merkmale
- NFC-Forum-konformes NFC-Frontend mit Unterstützung für alle relevanten 56-MHz-HF-Protokolle, einschließlich Peer-to-Peer- und Kartenemulationsmodus
- Sender mit einer HF-Ausgangsleistung von bis zu 2 W
- Adaptives Wave-Shaping (AWS) und dynamische Leistungssteuerung (DPC) 2.0
- Empfänger mit hoher Empfindlichkeit, Rauschimmunität und integrierter EMD-Verarbeitung
- Unterstützte HF-Rahmengröße von bis zu 1.024 Byte ohne Verkettung
- Ideales Gegenstück für die NTAG® 5 Kommunikation (ISO/IEC 15693), unterstützt Datenraten von bis zu 212 kBit/s
- Integrierter rauscharmer DC/DC-Wandler für eine Einzelversorgung von 3 V bei voller HF-Ausgangsleistung
- SPI-Host-Schnittstelle mit Taktraten von bis zu 15 MHz
- Extrem stromsparende Kartenerkennung und mehrere batteriesparende Konfigurationen sind verfügbar
- Automatische Antennenabstimmung über variable Kondensatoren
- Überstrom- und Übertemperaturschutz
- Externer Takteingang von 24 MHz, 32 MHz und 48 MHz für Zugangsmanagement-Applikationen
- Robuste Kommunikation für eGov-Applikationen mit Datenraten von bis zu 848 kBit/s
- Großer Betriebstemperaturbereich: -40 °C bis +105 °C
- Gehäuseoptionen
- VFBGA-64 von 4,5 mm x 5,0 mm; Rastermaß von 0,5 mm
- HVQFN-40 von 5,0 mm x 5,0 mm; Rastermaß von 0,4 mm
- Unterstützte HF-Protokolle
- Lese-/Schreibmodus
- ISO/IEC 14443 Typ A&B R/W-Unterstützung von bis zu 848 kBit/s
- FeliCa R/W-Unterstützung bis zu 424 kbit/s
- NFC-Forum-Tag-Lesegerät des Typs 1/2/3/4/5
- NFC-Forum-Konformität für R/W – analog und digital
- ISO/IEC 15693 Lesegerät (ICODE®)
- Proprietäre Datenraten basierend auf ISO/IEC15693 mit 106 kBit/s und 212 kBit/s für NTAG 5 Kommunikation
- ISO/IEC 18000 EPC-HF-Lesegerät (ICODE ILT)
- EMVCo 3.0 (L1) mit integrierter EMD-Verarbeitung
- Peer-to-Peer-Modus
- Passive und aktive Kommunikation (Initiator/Ziel)
- P2P-unterstützt für Typen: A (106 kBit/s), F (212 kBit/s, 424 kBit/s)
- Proprietärer P2P-Modus für Typ A von bis zu 848 kBit/s
- Kartenemulationsmodus
- ISO/IEC 14443 Typ-A-Hostkarten-Emulation mit aktiver Lastmodulation für längere Kommunikationsentfernungen
- Lese-/Schreibmodus
Applikationen
- POS- und mPOS-Anschlüsse
- Physische Zugangskontrolle
- Bauteil-Parametrisierung
- eGovernment
Videos
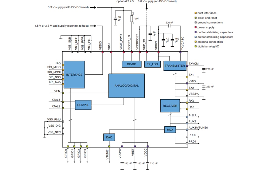
Blockdiagramm
