NXP Semiconductors TEA2096T Synchrongleichrichtungs-Controller
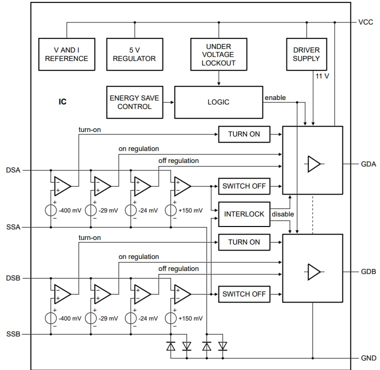
Der NXP Semiconductors TEA2096T Synchrongleichrichtungs-Controller eignet sich ideal für Schaltnetzteile. Der TEA2096T verfügt über eine adaptive Gate-Drive-Methode für einen maximalen Wirkungsgrad bei allen Lasten. Der Controller kann zur Synchrongleichrichtung auf der Sekundärseite des Resonanzwandlers eingesetzt werden. Das Bauteil verfügt über zwei Treiberstufen für die Ansteuerung der SR-MOSFETs, welche die Ausgänge der sekundären Transformatorwicklungen des zentralen Taps gleichrichten.Merkmale
- Wirkungsgradmerkmale
- Adaptiver Gate-Drive für einen maximalen Wirkungsgrad bei allen Lasten
- Stromversorgung im energiesparenden Betrieb von 80 µA
- Regelungspegel von −29 mV für den Antrieb von niederohmigen MOSFETs
- Applikationsmerkmale
- Drain-Sensor-Spannung bis 200 V
- Großer Versorgungsspannungsbereich von 4,5 V bis 38 V
- Duale Synchrongleichrichtung für LLC-Resonanz
- Unterstützt einen 5-V-Betrieb mit Logikpegel-SR-MOSFETs
- Differential-Eingänge für die Messung der Drain- und Quellenspannungen von jedem SR-MOSFET
- SO8-Gehäuse
- Steuerfunktionen
- SR-Steuerung ohne minimale Einschaltzeit
- Adaptiver Gate-Drive für schnelles Ausschalten am Ende der Leitung
- Unterspannungssperre (UVLO) mit aktivem Gate-Pull-Down
- Verriegelungsfunktion um eine gleichzeitige Leitung der externen MOSFETs zu verhindern
- Unterstützt eine Schaltfrequenz von 1 MHz
Applikationen
- Adapter
- Stromversorgung für Desktop-PCs und All-in-One-PCs
- Stromversorgung für Fernseher
- Stromversorgung für Server
- Stromversorgung für Industrieapplikationen
Blockdiagramm
Veröffentlichungsdatum: 2022-11-03
| Aktualisiert: 2023-01-11
