onsemi FOD8383/4 Hochgeschwindigkeits-MOSFET/IGBT Gate-Drive-Optokoppler

Die FOD8383/4 Hochgeschwindigkeits-MOSFET/IGBT Gate-Drive-Optokoppler sind 2,5A Ausgangsstrom-Gate-Drive-Optokoppler, die IGBT/MOSFETs des mittleren Leistungsbereichs betreiben können. Sie eignen sich hervorragend für den schnellen Antrieb von Leistungs-IGBTs und MOSFETs in Motoransteuerungsanwendungen und Hochleistungssystemen. Der FOD8383/4 verwendet die koplanare Optoplanar®-Gehäusetechnik von Fairchild und das optimierte IC-Design, um zuverlässige hohe Isolationsspannung und hohe Geräuschimmunität zu erreichen. Jedes Gerät besteht aus einer Aluminium-Gallium-Arsenid (AlGaAs) Licht emittierenden Diode (LED), die optisch an einen integrierten Schaltkreis mit einem Hochgeschwindigkeitstreiber für Push-Pull-MOSFET-Ausgangsphasen gekoppelt ist.

Merkmale

  • 2.5A output current driving capability
  • P-channel MOSFET at output stage enables output voltage swing close to supply rail
  • 35kV/μs minimum common mode rejection
  • 15V to 30V supply voltage range
  • Fast switching speed over full operating temperature range
  • 210ns maximum propagation delay
  • 65ns maximum pulse-width distortion
  • Under-Voltage Lockout (UVLO) with hysteresis
  • -40°C to +100°C industrial temperature range
  • Safety and Regulatory Approvals:
    • UL1577, 5000VACRMS for 1 minute
    • DIN-EN/IEC60747-5-5, 1414V peak working insulation voltage

Applikationen

  • AC and brushless DC motor drives
  • Industrial inverter
  • Uninterruptible power supply
  • Induction heating
  • Isolated IGBT/power MOSFET gate drive

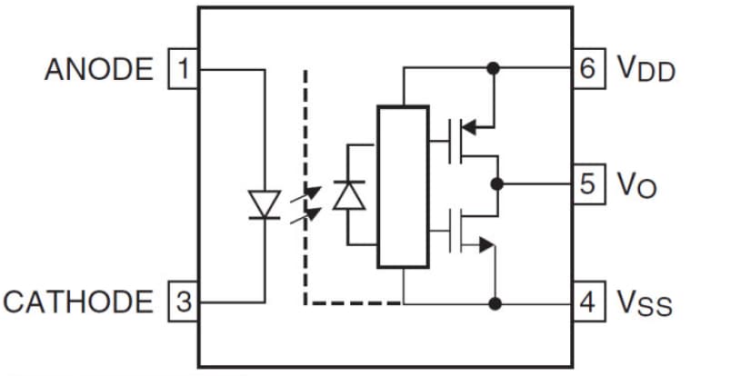
Functional Schematic

Schaltplan - onsemi FOD8383/4 Hochgeschwindigkeits-MOSFET/IGBT Gate-Drive-Optokoppler
Veröffentlichungsdatum: 2014-09-25 | Aktualisiert: 2022-03-11