onsemi CCM PFC Controller FAN9673
Fairchild Semiconductor FAN9673 ist eine geschachtelte Drei-Kanal-Continuous-Conduction-Mode (CCM) Controller-IC mit Leistungsfaktorkorrektur (PFC), die für PFC-Vorregler gedacht ist. Unter Einbeziehung von Schaltungen für die Umsetzung von innovativer „Boost‟-Typ-Leistungsfaktorkorrektur mit Durchschnittsstrom; ermöglicht der FAN9673 die Konstruktion eines Netzteils, das vollständig der IEC1000-3-2-Spezifikation entspricht. Der geschachtelte Betrieb bietet eine erhebliche Reduzierung der Ein-und Ausgangswelligkeitsströme, und die geleitete EMI-Filterung wird einfacher und kostengünstiger. Eine innovative Kanalverwaltungsfunktion erlaubt, dass der Leistungspegel der Slave-Kanäle entsprechend der Einstellungsspannung auf dem CM-Pin reibungslos geladen und entladen wird. Dadurch das Lasteinschwingverhalten des PFC-Wandlers verbessert. Der FAN9673 beinhaltet auch eine Vielzahl von Schutzfunktionen, einschließlich: Spitzenstrombegrenzung, Schutzvorrichtung gegen Eingangsspannungsabfall und Trifault Detect™-Funktion.An innovative channel management function allows the power level of the slave channels to be loaded and unloaded smoothly according to the setting voltage on the CM pin, improving the PFC converter's load transient response. The onsemi FAN9673 also incorporates a variety of protection functions, including: peak current limiting, input voltage brown out protection, and TriFault Detect™ function.
Merkmale
- Continuous Conduction Mode (CCM) control
- Three-channel PFC control (maximum)
- Average current-mode control
- PFC slave channel management function
- 18kHz to 40kHz or 55kHz to 75kHz programmable operating frequency range
- Programmable PFC output voltage
- Two current limit functions
- TriFault Detect protects against feedback loop failure
- Sag protection
- Programmable soft-start
- Under-voltage lockout (UVLO)
- Differential current sensing
- Available in 32-pin LQFP package
Applikationen
- High power AC - DC power supply
- DC motor power supply
- White goods
- Server and telecom power supply
- UPS
- Industrial welding and power supply
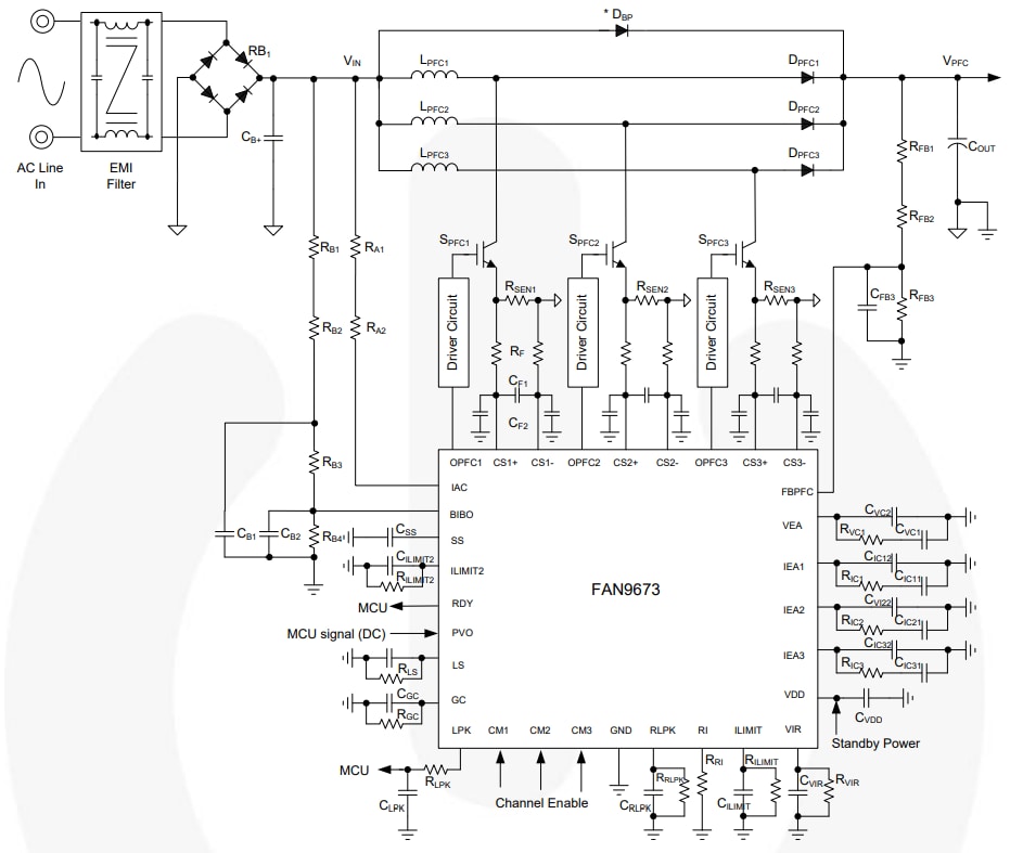
Typical Application
Veröffentlichungsdatum: 2014-04-03
| Aktualisiert: 2022-03-11
