onsemi NCV7462 System-Basis-Chip
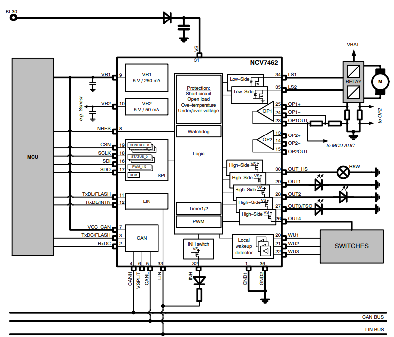
Der System-Basis-Chip NCV7462 von onsemi ist mit LIN-, CAN-, High-Side(HS)- und Low-Side(LS)-Treibern ausgestattet. Der Chip NCV7462 von onsemi verfügt über einen erweiterten Funktionsumfang, der für Bordnetzsteuergeräte im Automobilbereich nützlich ist. Dieser IC verfügt über zwei 5-V-Spannungsregler, High-Side- und Low-Side-Schalter zur Steuerung von LEDs und Relais sowie Überwachungsfunktionen wie z. B. einen Fenster-Watchdog. Der Chip NV7462 ist eine hochintegrierte Lösung, die die externen diskreten Bauelemente ersetzt und gleichzeitig die Systemflexibilität aufrechterhält. Zu den typischen Applikationen gehören dezentrale elektronische Türsysteme, Bordnetzsteuergeräte (BCMs) und Klimasteuerungssysteme.Merkmale
- High-Side- und Low-Side-Schalter zur Steuerung von LEDs und Relais
- Überwachungsfunktionen wie z. B. ein Fenster-Watchdog
- Funktioneller Hauptversorgungs-Betriebsbereich: 5 V bis 28 V
- Parametrischer Hauptstromversorgungsbetriebsbereich: 6 V bis 18 V
- CAN-Hochgeschwindigkeit Transceiver konform mit ISO 11898
- TxD-Timeout auf CAN
- LIN-Physical-Layer gemäß LIN 2.x und SAEJ2602
- Programmierbare TxD-Zeitüberschreitung auf LIN
- Leistungsmanagement über Betriebsmodi:
- wert
- Standby
- Ruhezustand
- Flash
- Low-Drop-Spannungsregler VR1 mit 5 V/250 mA und ±2 % Ausgangstoleranz
- Sperrstrom-geschützter Low-Drop-Spannungsregler VR2 mit 5 V/50 mA und ±2 % Ausgangstoleranz
- 3 x Wake-up-Eingänge
- Aktivierungs-Logikschaltung mit zyklischer Kontaktüberwachung
- Aktivierungs-Quellenerkennung
- Unabhängiger PWM Funktionsumfang Funktionsumfang für alle Ausgänge (integrierte PWM-Register)
- 2 x Low-Side-Treiber (Typ 3) mit Überlastschutz und aktiver Klemme
- 1 x High-Side-Treiber (Typ 1) mit Über- und Unterlast-Erkennung und automatischer Wiederherstellung
- 1 x High-Side-Treiber (wählbar zwischen Typ 2 und 7) mit Über- und Unterlast-Erkennung
- 3 x High-Side-Treiber (Typ 7) mit Über- und Unterlast-Erkennung
- 2 x Operationsverstärker für die Strommessung
- 24-Bit-SPI-Schnittstelle
- Schutz gegen Kurzschluss , Überspannung und Übertemperatur
- SSOP36-EP-Gehäuse
- AEC-Q100-qualifiziert und PAAP-fähig
Applikationen
- Dezentrale elektronische Türsysteme
- Bordnetzsteuergeräte (BCUs)
- Klimakontrollsysteme
Weitere Ressourcen
Blockdiagramm
Anwendungsschaltplan
Veröffentlichungsdatum: 2020-09-03
| Aktualisiert: 2024-05-30
