onsemi NCV7750 Low-Side-Treiber
Der NCV7750 Low-Side-Relaistreiber von onsemi ist ein Vierkanal-Automotive-Treiber mit einer Antriebsleistung von 600 mA pro Kanal. Dieser Relaistreiber verfügt über eine Ausgangssteuerung über einen SPI-Anschluss und bietet eine praktische Störungsmeldung von unterbrochenen Last-, Überlast- und Übertemperatur-Zuständen. Der NCV7750 Treiber ist mit Ausgängen ausgestattet, die gegen einen Überlaststrom geschützt sind und eine Ausgangsklemme für induktive Lasten enthält. Zu den typischen Applikationen gehören Fahrzeugkarosserie- und Motorsteuerungseinheit, Relais-Antrieb, LED-Antrieb und Schrittmotortreiber.Merkmale
- 4 Low-Side-Kanäle
- 600-mA-Low-Side-Treiber:
- 1,1 Ω (typisch) und 2,2 Ω (max.) RDS(on)
- 16-Bit-SPI-Steuerung:
- Rahmenfehlererkennung (8-Bit)
- Verkettungs-fähig
- Parallele Eingangspins für PWM-Betrieb
- Einschalten ohne aktive offene Stromkreiserkennung (für LED-Applikationen)
- Niedriger Ruhestrom in Schlaf- und Standby-Modi
- Notlauf-Funktionsumfang
- 3,3-V- und 5-V-kompatibler Digitaleingangs-Versorgungsbereich
- Störungsmeldung:
- Erkennung von unterbrochenen Lasten (wählbar)
- Überlast
- Übertemperatur
- Power-on-Reset (VDD, VDDA)
- SSOP-24-Gehäuse (interne sicherungsgeschützte Leitungen)
- AEC-Q100-qualifiziert und PAAP-fähig
- Bleifreie Bauteile
Applikationen
- Fahrzeugkarosserie
- Motorsteuereinheit
- Relaisantrieb
- LED-Antrieb
- Schrittmotorantrieb
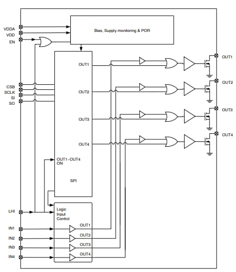
Blockdiagramm
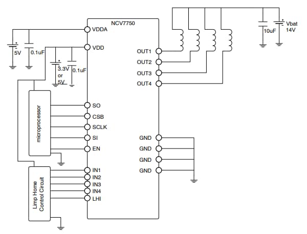
Applikationsdiagramm
Veröffentlichungsdatum: 2019-07-21
| Aktualisiert: 2024-02-13
