onsemi Drei-Stufen-NPC-Q2Pack- und Q2BOOST-Module
Die NXH350N100H4Q2F2 Drei-Stufen-NPC-Q2Pack-Module von Onsemi sind leistungsintegrierte Module (PIM), die eine einzelne I-Typ-NPC-Stufe enthalten. Die I-Typ-NPC-Stufe umfasst 100 A, 1.200 V SiC-Dioden für die Neutralpunkt-Klemmen, 350 A, 1.000 V IGBTs für die äußeren IGBTs und 400 A, 1.000 V IGBTs für die inneren IGBTs. Das NXH350N100H4Q2F2 Q2Pack-Modul von Onsemi bietet eine höhere Ausgangsleistung als andere 1.200 V IGBT-Lösungen und enthält einen integrierten Thermistor. Das Q2BOOST-Modul von Onsemi bietet einen hervorragenden Wirkungsgrad und ausgezeichnete thermische Verluste mit der Flexibilität, verschiedene Fertigungsverfahren zu unterstützen.Merkmale
- Extrem effizienter Trench mit Field-Stop-Technologie
- Geringe Schaltverluste reduzieren die Verlustleistung des Systems
- Das Moduldesign bietet eine hohe Leistungsdichte
- Niedriges induktives Layout
- Niedrige Gehäusehöhe
- Bleifrei, halogenfrei/BFR-frei und RoHS-konform
Applikationen
- Solar-Umrichter
- Unterbrechungsfreie Stromversorgungssysteme
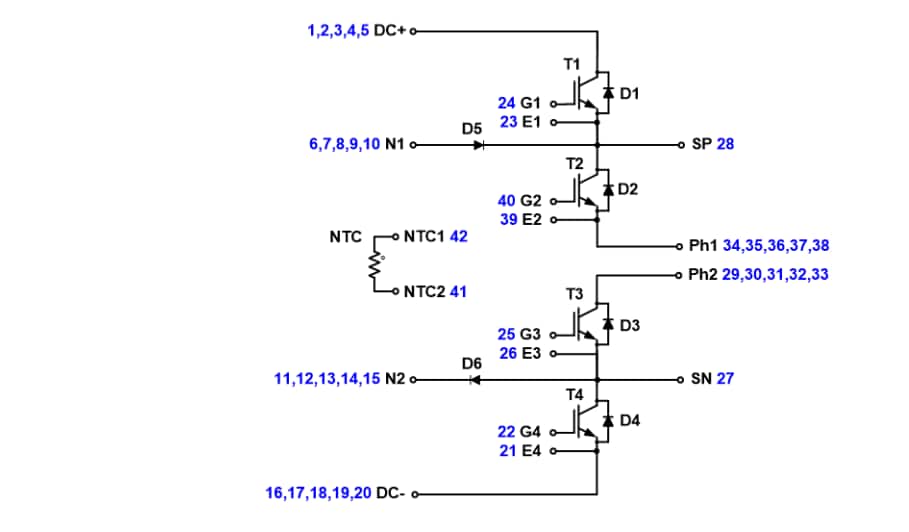
Schaltschema-Diagramm
Kontaktanschluss
Veröffentlichungsdatum: 2020-09-25
| Aktualisiert: 2025-07-24
