onsemi FSB50550BS Motion-Modul der SPM®-5-Baureihe
Das FSB50550BS Motion-Modul der SPM®-5-Baureihe von onsemi bietet eine vollständig ausgestattete, leistungsstarke Inverter-Ausgangsstufe für AC-Induktions-, BLDC- und PMSM-Motoren. Das Modul enthält eingebaute MOSFETs (FRFET®-Technologie) mit optimiertem Gate-Drive zur Reduzierung von EMI und Verlusten. Das Modul bietet außerdem mehrere On-Modul-Schutzfunktionen, einschließlich Unterspannungssperren und thermische Überwachung.Merkmale
- UL-zertifiziert unter der Nummer E209204 (UL1557)
- Optimiert für über 10 kHz Schaltfrequenz
- 500V-FRFET-MOSFET-Dreiphaseninverter mit Gate-Treibern und Schutz
- Separate Open-Source-Pins von Low-Side MOSFETs für dreiphasige Stromerfassung
- Active-HIGH-Schnittstelle, arbeitet mit einem Schmitt-Auslösereingang mit 3,3/5V-Logik
- Integrierte Bootstrap-Dioden vereinfachen das PCB-Layout
- Optimiert für geringe elektromagnetische Störung
- Integrierte HVIC-Temperaturmessung für den Temperaturüberwachung-HVIC für Gate-Drive und Unterspannungsschutz
- Isolationsleistung: 1.500 Vrms/Min.
- RoHS-konform
- Feuchteempfindlichkeitsstufe (MSL) 3 für SMD-Gehäuse
Applikationen
- Dreiphasen-Invertertreiber für kleine Leistungs-AC-Motorantriebe
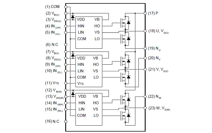
Blockdiagramm
Weitere Ressourcen
Veröffentlichungsdatum: 2017-04-20
| Aktualisiert: 2022-03-11
