onsemi NCV57001 Isolierter Hochstrom-IGBT-Gate-Treiber
Die NCV57001 isolierten Hochstrom-IGBT-Gate-Treiber mit interner galvanischer Trennung von onsemi sind für einen hohen Systemwirkungsgrad und eine hohe Zuverlässigkeit in Hochleistungsapplikationen ausgelegt. Der NCD57001 bietet Funktionen, die komplementäre Eingänge, Open-Drain-FAULT- und Ready-Ausgänge, eine aktive Miller-Klemme, präzise UVLOs, einen DESAT-Schutz und eine sanfte Abschaltung bei DESAT umfassen.Merkmale
- Hochstrom-Ausgang (+4,0 A/-6,0 A) bei IGBT-Miller-Plateau-Spannungen
- Niedrige Ausgangsimpedanz für verbesserten IGBT-Antrieb
- Kurze Laufzeitverzögerungen mit genauem Abgleich
- Aktive Miller-Klemme, um störendes Gate-Einschalten zu verhindern
- DESAT-Schutz mit programmierbarer Verzögerung
- Negative Spannungsfähigkeit (bis zu -9 V) für DESAT
- Sanftabschaltung während IGBT-Kurzschluss
- IGBT-Gate-Clamping bei Kurzschluss
- IGBT-Gate-aktiver Pulldown
- Genaue UVLO-Schwellwerte für Vorspannungsflexibilität
- Großer Vorspannungsbereich einschließlich negativem VEE2
- Eingangsversorgungsspannung: 3,3 V bis 5 V
- Für die AEC−Q100-Zulassung ausgelegt
- Galvanische Trennung (zur Erfüllung der UL1577-Anforderungen): 5.000 V
- 1.200 V Betriebsspannung (gemäß VDE0884-11 Anforderungen)
- Hohe transiente Festigkeit
- Hohe Beständigkeit gegen elektromagnetische Störungen
- Bleifrei, halogenfrei und RoHS-konform
Applikationen
- Automotive-Netzteile
- HEV-/EV-Antriebsstrang
- OBC
- BSG
- EV-Ladegeräte
- PTC-Heizung
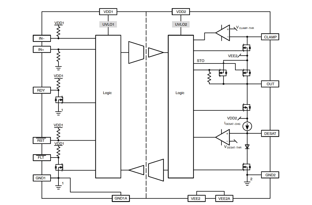
Vereinfachtes Blockdiagramm
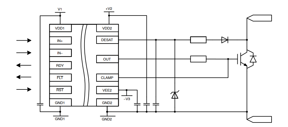
Vereinfachte Applikationsschaltpläne
Additional Resources
Veröffentlichungsdatum: 2019-04-30
| Aktualisiert: 2024-01-31
