onsemi NCD57001FDWR2G Isolierte IGBT-Gate-Treiber
Die NCD57001FDWR2G isolierten Hochstrom-IGBT-Gate-Treiber von Onsemi sind einkanalige Hochstrom-IGBT-Treiber mit interner galvanischer Trennung, die für einen hohen Systemwirkungsgrad und eine hohe Zuverlässigkeit ausgelegt sind. Dieser Gate-Treiber verfügt über komplementäre Eingänge, Open-Drain-Fehleranzeige- und Ready-Ausgänge, eine aktive Miller-Klemme, präzise Unterspannungssperren (UVLOs), DESAT-Schutz und eine Soft-Abschaltung bei DESAT. Die NCD57001FDWR2G Gate-Treiber von Onsemi unterstützen 5 V- und 3,3 V-Signale auf der Eingangsseite und einen breiten Vorspannungsbereich auf der Treiberseite, der auch negative Spannungen zulässt. Dieser Gate-Treiber bietet eine galvanische Trennung von >5 kVrms (UL1577-Einstufung) und ist zu >1200 Viorm (Betriebsspannung) fähig. Typische Applikationen sind Solar-Umrichter, Motorsteuerung, Unterbrechungsfreie Stromversorgungen (UPS), industrielle Netzteile und Schweißen.Merkmale
- +4/-6 A Hochstromausgang bei IGBT-Miller-Plateau-Spannungen
- Niedrige Ausgangsimpedanz für verbesserte IGBT-Ansteuerung
- Kurze Laufzeitverzögerungen mit präziser Anpassung
- Aktive Miller-Klemme, um störendes Gate-Einschalten zu verhindern
- DESAT-Schutz mit programmierbarer Verzögerung
- Fähig zu negativer Spannung (bis zu -9 V) für DESA
- Sanfte Abschaltung bei IGBT-Kurzschluss
- IGBT-Gate-Klemmung bei Kurzschluss
- Aktiver IGBT-Gate-Pulldown
- Enge UVLO-Schwellenwerte für Vorspannungsflexibilität
- Breiter Vorspannungsbereich einschließlich negativer VEE2
- 3,3 V zu 5 V Eingangsversorgungsspannungsbereich
- Für die AEC−Q100-Zulassung ausgelegt
- Galvanische Trennung (für UL1577 Anforderungen): 5.000 V
- Betriebsspannung: 1.200 V (gemäß VDE0884-10 Anforderungen)
- Hohe transiente Immunität
- Hohe elektromagnetische Festigkeit
- Bleifrei, halogenfrei, RoHS-konform
Applikationen
- Solar-Umrichter
- Motorsteuerung
- USV
- Industrienetzteile
- Schweißen
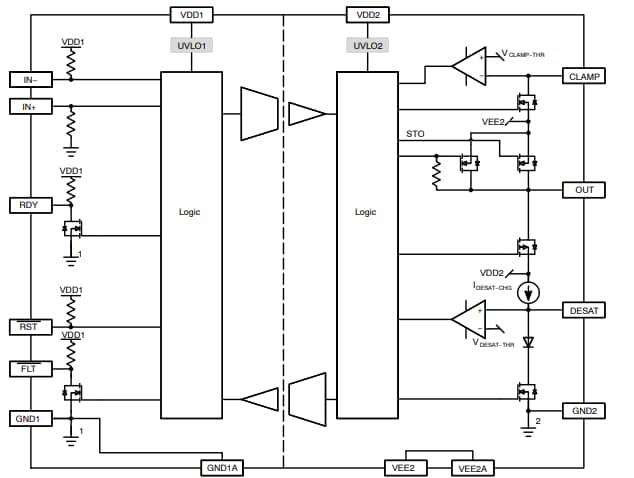
Blockdiagramm
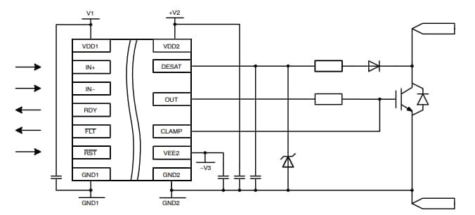
Applikationsschaltschema
Weitere Ressourcen
Veröffentlichungsdatum: 2020-06-01
| Aktualisiert: 2024-06-06
