onsemi NCD57090 und NCV57090 IGBT-/MOSFET-Gate-Treiber
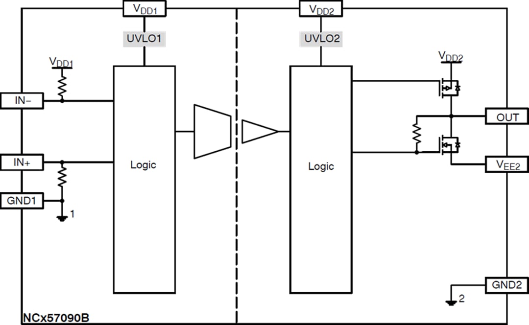
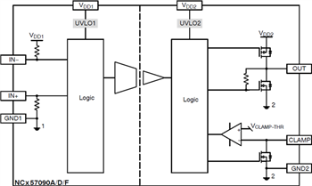
onsemi NCD57090 und NCV57090 IGBT-/MOSFET-Gate-Treiber sind Hochstrom-Einkanal-Gate-Treiber für IGBTs und MOSFETs mit einer internen galvanischen Trennung von 5 kVrms. Die NCD57090 und NCV57090 bieten einen hohen Systemwirkungsgrad und eine hohe Zuverlässigkeit in Hochleistungsapplikationen. Diese Bauteile akzeptieren komplementäre Eingänge und bieten je nach Pin-Konfiguration Optionen, wie z. B. eine aktive Miller-Klemme, eine negative Stromversorgung und separate hohe und niedrige (OUTH und OUTL) Treiberausgänge für ein praktisches Systemdesign. Die NCD57090 und NCV57090 eignen sich für eine große Auswahl von Eingangsvorspannungen und Signalpegeln von 3,3 V bis 20,0 V.Die IGBT-/MOSFET-Gate-Treiber NCD57090 und NCV57090 von onsemi sind in einem kompakten SOIC-8-Gehäuse erhältlich. Der NCV57090 ist für Fahrzeuganwendungen AEC-Q100-qualifiziert und PAAP-fähig.
Merkmale
- AEC-Q100-qualifiziert und PAAP-fähig (nur NCV57090)
- Hoher Spitzenstrom: +6,5 A/-6,5 A
- Der niedrige Klemmspannungsabfall beseitigt die Notwendigkeit einer negativen Stromversorgung, um ein störendes Einschalten des Gate (Versionen A, D, F) zu verhindern
- Kurze Laufzeitverzögerungen mit präziser Anpassung
- IGBT-/MOSFET-Gate-Klemme während Kurzschluss
- Aktiver IGBT-/MOSFET-Gate-Pulldown
- Genaue UVLO-Schwellenwerte für Vorspannungsflexibilität
- Großer Vorspannungsbereich, einschließlich negativem VEE2 (Version B)
- Logikeingang: 3 V, 5,0 V und 15,0 V
- Galvanische Trennung: 5 kVrms
- Hohe transiente Immunität
- Hohe Beständigkeit gegen elektromagnetische Störungen
- Maximale Sperrschichttemperatur: +150 °C
- Betriebstemperaturbereich: -40 °C bis +125 °C
- SOIC-8-Gehäuse
- Bleifrei, Halogen-/BFR-frei und RoHS-konform
Applikationen
- Fahrzeuganwendungen (nur NCV57090)
- Motorsteuerung
- Unterbrechungsfreie Stromversorgungen (USV)
- Industrienetzteile
- Solarwechselrichter
Pin-Bezeichnungen
Gehäuseabmessungen
Weitere Ressourcen
Veröffentlichungsdatum: 2021-03-12
| Aktualisiert: 2024-03-05
