onsemi NCD57201 und NCV57201 Halbbrücken-Gate-Treiber
Onsemi NCD57201 und NCV57201 Halbbrücken-Gate-Treiber verfügen über einen nicht isolierten Low-Side-Gate-Treiber und einen galvanisch getrennten High- oder Low-Side-Gate-Treiber. Der NCD57201 und der NCV57201 können zwei IGBTs in einer Halbbrücken-Konfiguration direkt ansteuern. Der isolierte High-Side-Treiber kann mit einer isolierten Stromversorgung oder über eine Bootstrap-Technik von der Low-Side-Stromversorgung betrieben werden. Die galvanische Trennung für den High-Side-Gate-Treiber gewährleistet zuverlässige Schaltungen in Hochleistungsapplikationen für IGBTs, die mit bis zu 800 V bei hohem dV/dt betrieben werden. Die optimierten Ausgangsstufen des NCD57201 und des NCV57201 bieten eine Möglichkeit zur Minimierung von IGBT-Verlusten. Darüber hinaus verfügen die Bauteile über zwei unabhängige Eingänge mit Totzeit und Verriegelung, präzise asymmetrische UVLOs sowie kurze und abgestimmte Laufzeitverzögerungen. Der NCD57201 und NCV57201 werden mit einer VDD/VBS von bis zu 20 V betrieben.Die Halbbrücken-Gate-Treiber NCD57201 und NCV57201 von onsemi werden in einem kompakten SOIC-8-Gehäuse angeboten. Der NCV57201 ist AEC-Q100-qualifiziert und PPAP-fähig für Fahrzeuganwendungen.
Merkmale
- AEC-Q100-qualifiziert und PPAP-fähig (nur NCV57201)
- Hoher Spitzenstrom: 1,9 A/-2,3 A
- Niedriger Ausgangsspannungsabfall für verbesserte IGBT-Leitfähigkeit
- Potentialfreier Kanal für Bootstrap-Betrieb bis +800 V
- Gleichtakt-Transientenimmunität (CMTI) von bis zu 100 kV/µs
- Zuverlässiger Betrieb für negative VS -Schwingung bis -800 V
- VDD - und VBS -Versorgungsbereich bis 20 V
- Asymmetrische Unterspannungssperre-Schwellenwerte für High-Side und Low-Side
- Logikschaltung-Eingangsspannung von 3 V, 5 V und 15 V
- Angepasste Laufzeitverzögerung von 90 ns
- Integrierter minimaler 20-ns-Pulsbreitenfilter (oder Eingangsrauschfilter)
- Nicht-invertierendes Ausgangssignal
- 150 °C maximale Sperrschichttemperatur
- -40 °C bis +125°C Betriebstemperaturbereich
- SOIC-8 Gehäuse
- Bleifrei, halogen-/BFR-frei und RoHs-konform
Applikationen
- Lüfter und Pumpen
- Haushaltsgeräte
- Unterhaltungselektronik
- Universal-Halbbrücken-Applikationen
- Stromversorgung
- Automobilindustrie (NCV57201)
Pin-Bezeichnungen
Blockdiagramm
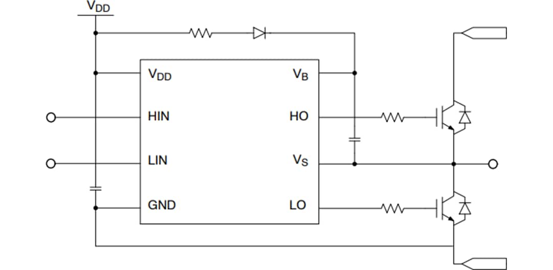
Vereinfachte Applikations-Schaltung
Gehäuseabmessungen
Veröffentlichungsdatum: 2021-03-11
| Aktualisiert: 2023-08-04
