onsemi NCP81239 4-Schalter-Abwärts-/Aufwärts-Regler
Der NCP81239 4-Schalter-Abwärts-/Aufwärts-Regler von onsemi wurde für die Umwandlung von Batteriespannung oder Adapterspannung in Versorgungsschienen entwickelt. In Verbindung mit einer USB PD- oder Typ-C-Schnittstelle erfüllt der NCP81239 Regler alle Vorschriften für USB-Leistungsverteilung. Der USB-Stromversorgungs-Kontroller (PD) treibt 4 NMOSFET-Schalter, sodass er verstärken oder abschwächen und den Funktionsaustausch unterstützen kann. Dieser Funktionswechsel ist in den USB-Leistungsverteilungsvorgaben festgelegt, für USB-PD-Applikationen also hervorragend. Der Abwärts-Aufwärtswandler verfügt über eine Betriebsversorgung und einen Lastbereich von 4,5 V bis 28 V. Entwickelt wurde der NCP81239 für Applikationen die eine dynamisch geregelte Ausgangsspannung mit begrenzter Anstiegsgeschwindigkeit benötigen. Das erfordert eine begrenzte Ausgangsspannung der Anstiegsrate, die höher oder niedriger als die Eingangsspannung ist. Außerdem verfügt der 4-Schalter-Abwärts-Aufwärtsregler über eine I2C Schnittstelle.The onsemi NCP81239/A USB PD Controller is offered in a compact Quad Flat No-lead (QFN) package, ideal for space-constrained applications.
Merkmale
- 4.5V to 28V wide input voltage range (VI)
- 150kHz to 1.2MHz dynamically programmed frequency
- I2C interface
- Real-time Power Good indication
- Controlled slew rate voltage transitioning
- Feedback pin with internally programmed reference
- Support USB PD, QC2.0, and QC3.0 profiles
- Two independent current sensing inputs
- Over temperature protection
- Adaptive non-overlap gate drivers
- Filter capacitor switch control
- Over-voltage and over-current protection
- Dead battery power support
- 150°C maximum junction temperature (TJ)
- -40°C to 100°C operating ambient temperature Range (TA)
- QFN-32 package type
- 5mm x 5mm package dimensions
- Pb-Free
Applikationen
- Notebooks, tablets, desktops
- Smartphones
- Power banks
- Docking stations
- Monitors, TVs, and Set-Top boxes
- Consumer electronics
- Car chargers
- Docking stations
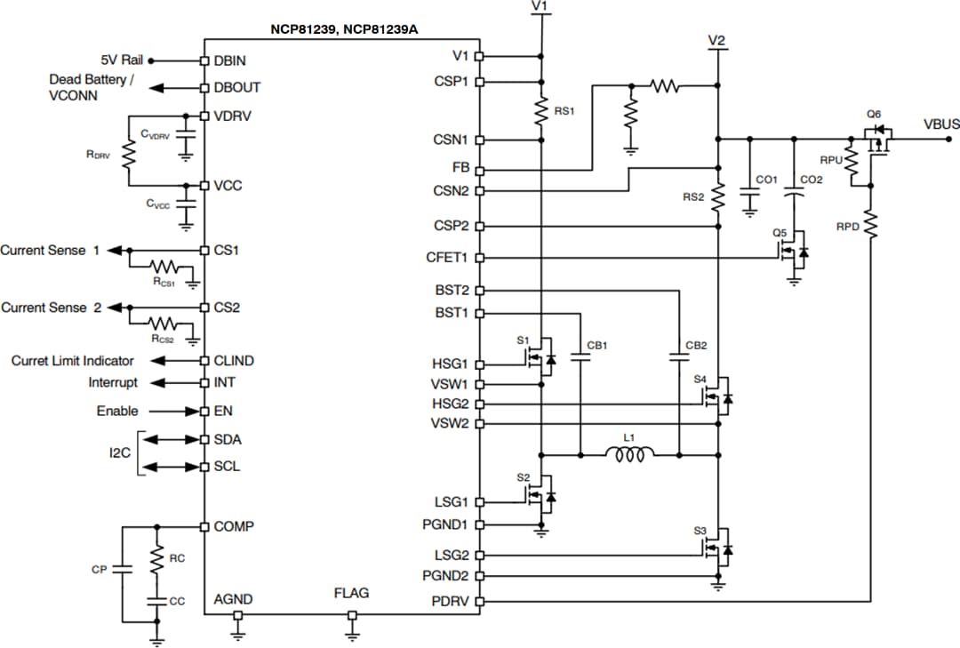
Block Diagram
Typical Application Circuit
Package Outline
Veröffentlichungsdatum: 2017-03-28
| Aktualisiert: 2022-03-11
