onsemi NCV12711 Strommodus-PWM-Controller
Der onsemi NCV12711 Strommodus-PWM-Controller ist ein Spitzenstrommodus-Bauteil mit fester Frequenz, das sämtliche Funktionen bietet, die für die Implementierung von einendigen Leistungswandler-Topologien erforderlich sind. Der NCV12711 verfügt über eine Betriebsspannung von 4 V bis 45 V ohne Hilfswicklung und innerhalb seiner thermischen Fähigkeiten. Der NCV12711 besteht aus einem programmierbaren Oszillator, der von 100 kHz bis 1 MHz betrieben wird und einen Neigungsausgleich integriert, um subharmonische Schwingungen zu verhindern.Der NCV12711 Strommodus-PWM-Controller von onsemi enthält einen programmierbaren Soft-Start, einen Eingangsspannungs-UVLO-Schutz und eine Überstromschutzschaltung (OPP), welche die gesamte Leistungskapazität der Schaltung begrenzt, wenn die Eingangsspannung sich erhöht. Darüber hinaus umfasst der NCV12711 eine Reihe von Schutzfunktionen, einschließlich Zyklus-für-Zyklus-Spitzenstrombegrenzung mit reibungsloser Frequenzerhöhung und Timer-basiertem Überlastschutz. Alle Schutzfunktionen bringen den Controller in einen Fehlermodus mit niedrigem Ruhestrom und einer automatischen Wiederherstellungszeit von 1 s, um eine Systemwiederherstellung zu ermöglichen, wenn die Fehlerbedingung entfernt wird.
Merkmale
- Großer VCC-Eingangsbereich (4 V bis 45 V)
- Interner 7,5-V-Regler
- Strommodusregelung mit einstellbarem Neigungsausgleich
- Betrieb im Nulllast-Zustand mit einem Tastverhältnis von 0 %
- Interner Überlastungsschutz
- Ein über einen einzelnen Widerstand programmierbarer Oszillator von 100 kHz bis 1 MHz
- Einstellbarer Soft-Start auf Spitzenstrom und Frequenz
- Programmierbare Eingangsspannungs-UVLO mit Hysterese
- Abschaltschwelle für extern deaktivieren
- Überlastschutz (OVP) mit Überlast-Timer von 30 ms
- Interner Operationsverstärker
- Automatischer Wiederherstellungsmodus mit 1 s automatischer Wiederherstellungszeit
- Quellen-/Senken-Gate-Treiber von ±1 A
- NCV-Präfix für Fahrzeuganwendungen und weitere Applikationen, die besondere Anforderungen an Standort- und Steuerungsänderungen stellen; AEC-Q100-qualifiziert und PPAP-fähig
Applikationen
- Einendige Sperr- und Durchflusswandler für Elektrofahrzeuge
- Automotive-Eingangs-DC/DC-Controller von 4 V bis 45 V für Hilfsstrom
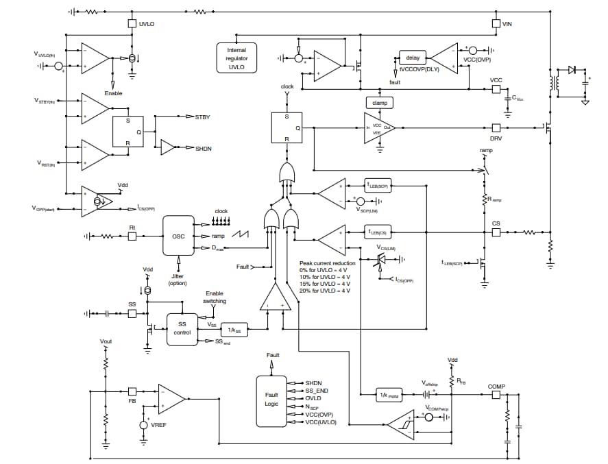
Blockdiagramm
Applikationsschaltpläne
Veröffentlichungsdatum: 2022-08-22
| Aktualisiert: 2022-10-13
