onsemi NCV51563 Isolierter Zweikanal-Gate-Treiber
Der NCV51563 isolierte Zweikanal-Gate-Treiber vononsemi unterstützt einen Quellen-Spitzenstrom von 4,5 A und einen Senken-Spitzenstrom von 9 A. Der NCV51563 ist für ein schnelles Schalten zum Antrieb von Leistungs-MOSFETs und SiC-MOSFET-Leistungsschaltern ausgelegt. Der NCV51563 verfügt über kurze und angepasste Laufzeitverzögerungen.Der NCV51563 isolierte Zweikanal-Gate-Treiber von onsemi bietet zwei unabhängige und galvanisch getrennte Gate-Treiber-Kanäle von 5 kVRMS (UL1577-Einstufung). Diese Kanäle bieten viele mögliche Konfigurationen von zwei Low-Side-, zwei High-Side-Schaltern oder einem Halbbrückentreiber mit programmierbarer Totzeit.
Der NCV51563 verfügt über viele Schutzfunktionen, einschließlich einer unabhängigen Unterspannungssperre für beide Gate-Treiber und eine Totzeit-Einstellungsfunktion.
Merkmale
- Flexible Dual-Low-Side-, Dual-High-Side- oder Halbbrücken-Gate-Treiber
- Spitzenquellstrombelastbarkeit von 4,5 A, Spitzensenkenstrombelastbarkeit von 9 A
- Unabhängige UVLO-Schutzfunktionen für beide Ausgangstreiber
- Ausgangsversorgungsspannung von 6,5 V bis 30 V mit 5 V und 8 V für MOSFET-, 13 V und 17 V UVLO-Schwellenwerte für SiC
- Immunität gegen Gleichtakttransienten (CMTI) von mehr als 200 V/ns
- Laufzeitverzögerung von 36 ns (typisch) mit
- maximaler Verzögerungsanpassung pro Kanal von 5 ns
- maximaler Pulsweitenverzerrung von 5 ns
- Vom Benutzer programmierbare Eingangs-Logikschaltung
- Einzel- oder Dual-Eingangsmodi über ANB
- ENABLE- oder DISABLE-Modus
- Benutzerprogrammierbare Totzeit
- AEC-Q100-qualifiziert für die Anforderungen von Fahrzeuganwendungen
- Isolierung und Sicherheit
- Isolierung von 5 kVRMS für 1 Minute (gemäß UL1577 Anforderungen)
- Verstärkte Isolationsspannung von 8.000 VPK (gemäß VDE0884-11 Anforderungen)
- CQC-Zertifizierung gemäß GB4943.1-2011
- SGS-FIMO-Zertifizierung gemäß IEC 62386−1
- Bleifreie Bauteile
Applikationen
- On-Board-Ladegeräte
- XEV DC/DC-Wandler
- Traktionswechselrichter
- Ladestationen
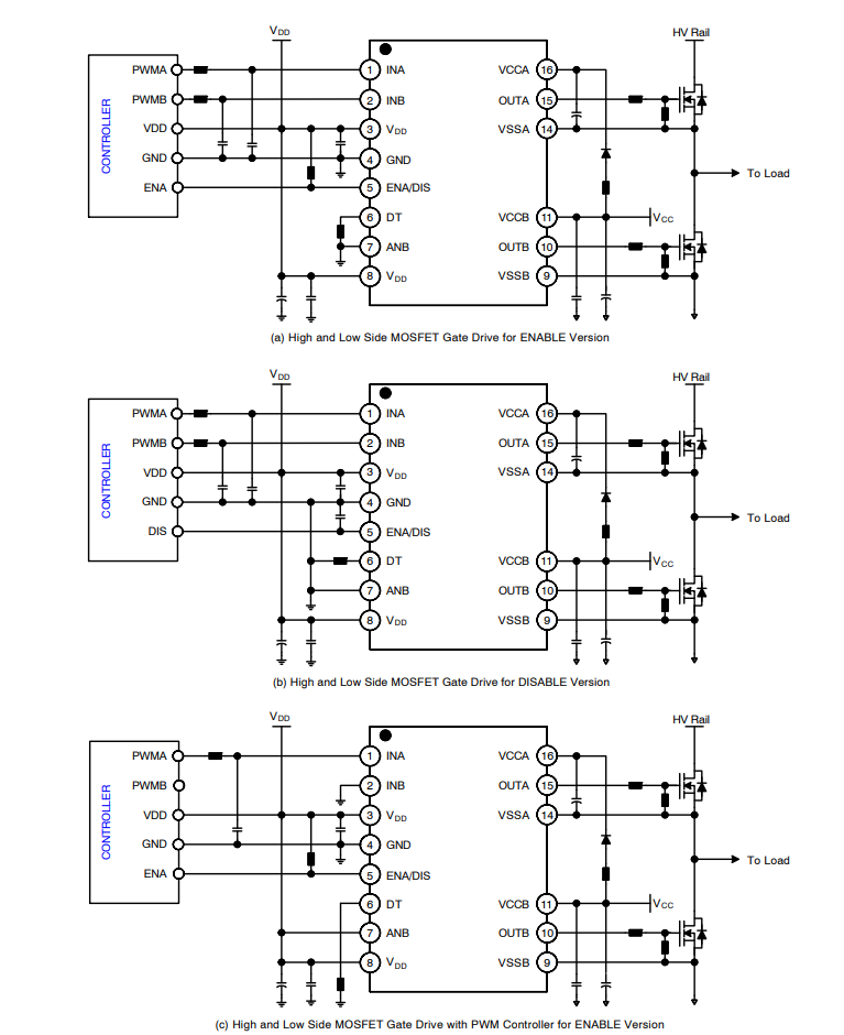
Typische Applikations-Schaltungen
Blockdiagramm
Veröffentlichungsdatum: 2022-08-23
| Aktualisiert: 2023-08-11
