onsemi NCV7718B/C Sechsfach-Halbbrückentreiber

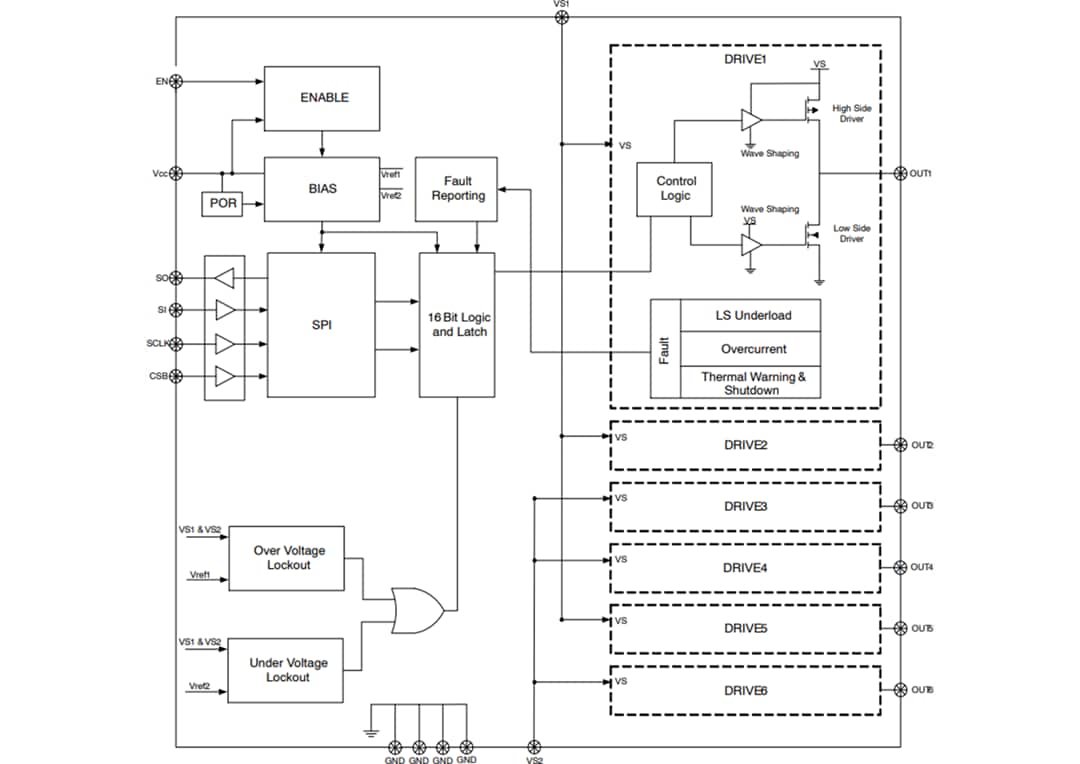
Der onsemi NCV7718B/C Sechsfach-Halbbrückentreiber besteht aus zwölf DMOS-Leistungstreibern, die als Sechsfach-Halbbrücken konfiguriert sind und drei unabhängige Vollbrücken-Betriebsabläufe ermöglichen. Jeder Ausgangsantrieb bietet eine maximale DC-Last von 550 mA und ein Ableitvermögen von 2 A. Der NCV7718B/C bietet Schutzfunktionen, die speziell für Fahrzeug- und Industrie-Bewegungssteuerungs-Applikationen ausgelegt sind. Der NCV7718B/C verfügt über unabhängige Steuer- und Diagnosefunktionen. Das Bauteil kann im Vorwärts-, Rückwärts-, Brems- und im hohen Impedanzzustand betrieben werden. Die Treiber werden über eine 16-Bit-SPI-Schnittstelle von 5 MHz gesteuert und können verkettet werden.

Der NCV7718B/C Sechsfach-Halbbrückentreiber wird in einem 24-Pin-SSOP-Gehäuse (Shrink Small Outline Package, SSOP) in Standardausführungen und Ausführungen mit freiliegendem Pad angeboten. Dieses Bauteil ist für Fahrzeuganwendungen gemäß AEC-Q100 zugelassen und PAAP-fähig.

Merkmale

  • Niedriger Ruhestrom im Schlafmodus
  • High-Side- und Low-Side-Treiber in einer Halbbrückenkonfiguration
  • Integrierter Low-Side- und High-Side-Freilaufschutz 
  • 0,55 A Spitzenstrom
  • RDS(on) = 1 Ω (typisch)
  • 5-MHz-SPI-Steuerung
  • Konformität mit 3,3-V- und 5,0-V-Systemen
  • Unterspannungs- und Überspannungssperre
  • Diskriminierte Störungsmeldung
  • Überstromschutz
  • Übertemperaturschutz
  • Unterlast-Erkennung (LS)
  • Kann mit mehreren 8-Bit-Bauteilen verkettet werden
  • 16-Bit-Rahmenerkennung
  • Verfügbare SSOP-24-Gehäuseoptionen:
    • NCV7718B, NCV7718C: Gehäuse mit freiliegendem Pad
    • NCV7718C: Standardgehäuse
  • AEC-Q100-qualifiziert und PAAP-fähig
  • Bleifrei

Applikationen

  • Automotive
  • Industrie
  • DC-Motormanagement für HLK-Applikationen

Blockdiagramm

Blockdiagramm - onsemi NCV7718B/C Sechsfach-Halbbrückentreiber

Typische Applikations-Schaltung

onsemi NCV7718B/C Sechsfach-Halbbrückentreiber
Veröffentlichungsdatum: 2019-09-03 | Aktualisiert: 2024-02-28