onsemi NCV7725B 10-Kanal-Halbbrückentreiber

Der NCV7725B 10-Kanal-Halbbrückentreiber von Onsemi   enthält Schutzfunktionen, die speziell für Automobil- und industrielle Bewegungssteuerungsapplikationen entwickelt wurden. Dieser Treiber unterstützt unabhängige Steuer- und Diagnosefunktionen und kann in Durchlassstrom-, Rückstrom- und Bremsstrom-Zuständen sowie Zuständen mit hoher Impedanz betrieben werden. Der NCV7725B Halbbrückentreiber von Onsemi kann verkettet werden und wird über eine 16-Bit-SPI-Schnittstelle gesteuert. Die Ausgänge 1 und 2 des Treibers können über ein externes PWM-Signal gesteuert werden. Dieser Treiber bietet außerdem einen niedrigen Ruhestrom im Schlafmodus, einen integrierten Freilaufschutz (LS und HS), eine Unterspannungs- und Überspannungssperre, einen Überstromschutz sowie einen Übertemperaturschutz. Der NCV7725B Treiber ist ideal für die Automobilindustrie, die Industrie und das DC-Motor-Management für HLK-Applikationen.

Merkmale

  • Niedriger Ruhestrom im Schlafmodus
  • High-Side- und Low-Side-Treiber in Halbbrückenkonfigurationen
  • Integrierter Freilaufschutz (LS und HS)
  • 500 mA typischer Stromfluss
  • 1,1 AA Spitzenstrom
  • 0,8 Ω typischer RDS(on)
  • Externe PWM-Steuerung von OUT1 und OUT2
  • 5 MHz SPI-Kommunikation
  • 16-Bit-Rahmenfehlererkennung
  • Kann mit mehreren 8-Bit-Bauteilen verkettet werden
  • Entspricht 3,3 V- und 5 V-Systemen
  • Unterspannungs- und Überspannungssperre
  • Fehlermeldung pro Kanal
  • Überstromschutz
  • Übertemperaturschutz
  • Unterlasterkennung (HS und LS)
  • Gehäuse mit freiliegendem Pad
  • NCV-Präfix für Automotive- und andere Applikationen, die einzigartige Platz- und Steueränderungsanforderungen erfüllen müssen
    • AEC-Q100-qualifiziert
    • PPAP-fähig
  • Bleifreies Bauelement

Applikationen

  • Automobil-Applikationen
  • Industrie
  • DC-Motor-Management für HLK-Applikationen

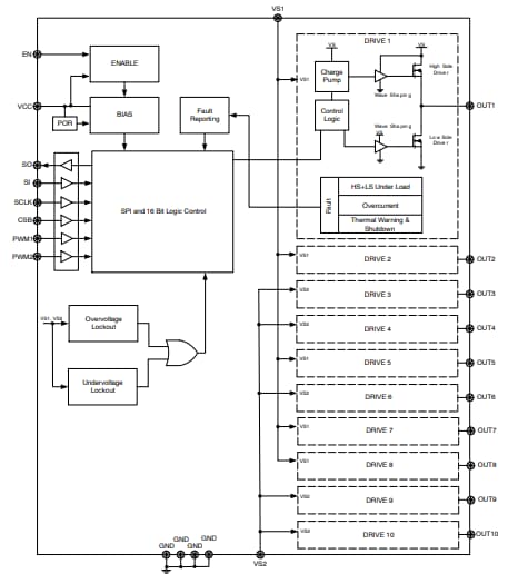
Blockdiagramm

Blockdiagramm - onsemi NCV7725B 10-Kanal-Halbbrückentreiber

Typische Applikations-Schaltung

Applikations-Schaltungsdiagramm - onsemi NCV7725B 10-Kanal-Halbbrückentreiber
Veröffentlichungsdatum: 2020-05-20 | Aktualisiert: 2024-06-06