onsemi NCV78514 Einkanal-Automotive-LED-Treiber
Die onsemi NCV78514 Einkanal-Automotive-LED-Treiber sind für MCU-lose Applikationen konzipiert und integrieren ein Derating für Eingangsspannung und LED-Ketten-Temperatur. Die NCV78514 Treiber von onsemi unterstützen einen Einkanal-LED-Treiber mit H-Brücken-Topologie, der synchrone Abwärtsschalter und einen asynchronen Aufwärtswandler unter Verwendung eines externen Low-Side-nMOSFET und einer Schottky-Diode kombiniert. Die Bauteile arbeiten im Konstantstrommodus und treiben LED-Ketten von 2 bis 20 LEDs an und ermöglichen dadurch flexible Designs für Einzelboard- oder modulare Lösungen. Der Strom der LED-Kette wird über einen Stromkodierungswiderstand eingestellt und mit einem Messwiderstand überwacht.Merkmale
- Unterstützung für MCU-lose Applikationen
- Integrierte Derating-Mechanismen
- Feste Schaltfrequenz bei 400 kHz
- Eingangsbereich von 5 V bis 21 V
- Warmstart-Verwaltung unter 9 V
- Widersteht Lastabwurf von bis zu 45 V
- Ausgangsspannungsbereich von bis zu 60 V
- Externer programmierbarer Strom: 200 mA bis 1.500 mA
- Pulsweitenmodulation: 80 Hz bis 600 Hz
- LED-Strom-Verdunkelungsfrequenz: 400 Hz
- Externer NTC/PTC für LED-Temperatur
- Frequenzspreizung
- Behandlung von Status und Fehlermodus
- AEC-Q100-qualifiziert und Produktionsteil-Abnehmeverfahren (PPAP) fähig
Applikationen
- Nebelscheinwerfer
- Kurvenlicht
- Logo-Projektion
- Logo-Beleuchtung
Typische Applikations-Schaltung
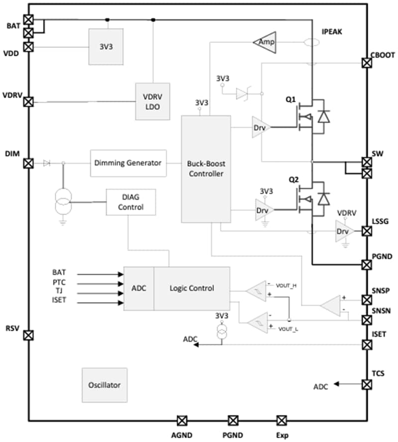
Blockdiagramm
Veröffentlichungsdatum: 2025-01-17
| Aktualisiert: 2025-12-04
