onsemi Synchroner Mehrphasen-Abwärtsregler NCV81277A
Der onsemi NCV81277A synchrone Automotive-Mehrphasen-Abwärtsregler ist für Computer- und Grafikprozessoren der nächsten Generation optimiert. Der NCV81277A kann bis zu vier Phasen ansteuern, verfügt über eine Differentialspannungs-/Phasenstrommessung, eine adaptive Spannungspositionierung und eine PWM_VID-Schnittstelle, um eine genau geregelte Leistung für Computer oder Grafik-Controller bereitzustellen. Eine integrierte Stromsparschnittstelle (PSI) ermöglicht es den Prozessoren, den Controller in einen von drei Modi zu setzen (alle Phasen eingeschaltet, dynamische Phasenabschaltung oder fester niedriger Phasenzählungsmodus), um einen hohen Wirkungsgrad bei leichten Lastbedingungen zu erzielen. Die Dual-Edge-PWM-Mehrphasen-Architektur gewährleistet schnelle Einschwingzeiten und einen guten dynamischen Stromausgleich.Merkmale
- Konform mit den „OVR4+“-Spezifikationen von NVIDIA®
- Unterstützt bis zu 4 x Phasen
- Power-Good-Ausgang
- Unterspannungsschutz (UVP)
- Überspannungsschutz (OVP)
- Überstromschutz (OCP)
- Überstromschutz pro Phase
- Inbetriebnahme in vorgeladene Lasten bei gleichzeitiger Vermeidung von falschem OVP
- Konfigurierbare adaptive Spannungspositionierung (AVP)
- Hochleistungs-Operationsfehlerverstärker
- Echte differentielle Stromausgleichs-Messverstärker für jede Phase
- Dynamischer Phasen-zu-Phasen-Stromausgleich
- Strommodus-Dual-Edge-Modulation für ein schnelles Einschwingverhalten auf Einschwingzeit
- Stromsparschnittstelle (PSI)
- Automatischer Phasenabwurf mit benutzereinstellbaren Schwellenwerten
- PWM_VID- und I2C-Steuerschnittstelle
- Kompaktes 40-Pin-QFN-Gehäuse mit benetzbarer Flanke
- Feuchteempfindlichkeit (MSL) 1
- Gemäß AEC-Q100 Klasse 2 zugelassen
- Bleifrei, halogenfrei, BFR-frei und RoHS-konform
Applikationen
- Fahrzeuganwendungen
- GPU- und CPU-Leistung
Technische Daten
- VRMP
- Versorgungsspannungsbereich: 4,5 V bis 20 V
- UVLO-Bereich: 3 V bis 4,2 V
- Typische UVLO-Hysterese: 800 mV
- Vorspannungsversorgung
- Versorgungsspannungsbereich: 4,6 V bis 5,4 V
- VCC-Ruhestrom:
- 40 µA maximal bei Niedrig-Freigabe
- 32 mA typisch für 4-Phasen-Betrieb
- 10 mA typisch für 1-Phasen-DCM-Betrieb
- UVLO-Schwellenwertbereich: 4 V bis 4,5 V
- Typische UVLO-Hysterese: 200 mV
- Schaltfrequenz
- 250-kHz- bis 1,2-MHz-Bereich (4 x Phase)
- ±4 % Genauigkeit bei 810 kHz, ±10 % in allen Bereichen
- Freigabeeingang
- Eingangsableitstrom: ±1,0 µA
- Schwellenwertbereich: 0,6 V bis 1,2 V
- DRON
- Ausgangsspannungsbereich: 0,1 V bis 3,0 V
- Typische Anstiegszeit: 160 ns
- Typische Abfallzeit: 3 ns
- Interner Widerstand
- Typischer Pull-Up: 2,0 kΩ
- Typischer Pull-Down: 70 kΩ
- PGOOD
- Maximale Ausgangsniederspannung: 0,4 V
- Maximaler Ableitstrom: 0,2 µA
- Maximale Ausgangsspannungs-Initialisierungszeit: 1,5 ms
- Typischer Ausgangsspannungs-Anstiegszeitbereich: 0,15 ms bis 10 ms
- Schutzfunktionen
- UVP-Schwellenwert: 250 mV bis 350 mV, 5 µs typische Verzögerung
- OVP-Schwellenwert: 360 mV bis 430 mV , 5 µs typische Verzögerung
- Überstromschutz (ILIM): 9,5 µA bis 10,5 µA
- PWM-Ausgänge
- Anstiegs-/Abfallzeit: 10 ns
- Tri-State-Ausgangsableitstrom: ±1,0 µA
- Minimale Einschaltzeit (typisch): 12 ns
- Typisches 0-%-Tastverhältnis: 1,3 V
- Typisches 100-%-Tastverhältnis: 2,5 V
- PWM-Phasenwinkelfehler: ±15 °
- Typischer Phasenerkennungs-Timer: 1,1 ms
- Fehlerverstärker
- Eingangsruhestrombereich: ± 400nA
- Typische Leerlaufverstärkung: 80 dB
- Typische Verstärkungsbandbreite mit offenem Regelkreis: 20 MHz
- Typische Anstiegsrate: 5 V/μs
- Ausgangsspannungsbereich: 1 V bis 3,5 V
- Differentieller Summierungsverstärker
- Eingangsruhestrombereich: ± 400 nA
- VSP-Eingangsbereich: 0 V bis 2 V
- VSN-Eingang: ±0,3 V
- Typische -3-dB-Bandbreite: 27 MHz
- Typische DC-Gain mit geschlossenem Regelkreis: 1 V/V
- Abfallgenauigkeit: 78 mV bis 82 mV
- Ausgangsspannungsbereich: 0,8 V bis 3 V
- Strommessverstärker
- Offsetspannung: ± 500 µV
- Eingangsruhestrom: ±7,5 µA
- Typische Leerlaufverstärkung: 80 dB
- Typische Strommessungs-Verstärkungsbandbreite: 10 MHz
- CSCOMP Ausgangsspannungsbereich: 0,1 V bis 3,5 V
- Stromausgleichsverstärker
- Eingangsruhestrom: ± 50 nA
- Gleichtakt-Eingangsspannungsbereich: 0 V bis 2 V
- Differentialmodus-Eingangsspannungsbereich: ±100 mV
- Eingangs-Offset-Spannungsanpassung mit geschlossenem Regelkreis: ±1,5 mV
- Minimale Strommessverstärker-Gain: 5,7 V/V, 6,0 V/V typisch
- Mehrphasen-Current-Sense-Gain-Anpassung: ±3 %
- Typische -3-dB-Bandbreite: 8 MHz
- IOUT
- Eingangsreferenz-Offsetspannung: ±3 mV
- Maximaler Ausgangsstrom (typisch): 200 µA
- Stromverstärkungsbereich: 9, 5 A/A bis 10,5 A/A
- Spannungsreferenz
- 1,98-V- bis 2,02-V-Bereich
- Typische Genauigkeit: 1 %
- PSI
- Schwellenwertbereich: 0,575 V bis 1,45 V
- Eingangsableitstrom: ±1 µA
- PWM_VID-buffer
- Schwellenwertbereich: 0,575 V bis 1,21 V
- Schaltfrequenz: 400 kHz bis 5000 kHz
- Typische Ausgangs-Anstiegs-/Abfallzeit: 3 ns
- Typische Verzögerung mit steigendem/fallendem Edge: 0,5 ns
- Typische Laufzeitverzögerung: 8 ns
- Typischer Laufzeitverzögerungsfehler: 0,5 ns
- Typischer On-Widerstand des REFIN-Entladungsschalter: 10 Ω
- I2C
- 0,5 V bis 1,7 V Eingangsspannungsbereich
- Typische Hysterese: 80 mV
- Ausgangs-Niederspannung (max.): 0,4 V
- Eingangsstrom: ±1 µA
- Typische Eingangskapazität: 5 pF
- Taktfrequenz: 400 kHz
- Minimale Einstellungs-/Haltezeit für Startbedingungen: 600 ns
- Minimale Einstellungszeit für Daten: 100 ns
- Minimale Data-Hold-Zeit: 300 ns
- Einrichtungszeit Stopp-Bedigung: 600 ns
- -40 °C bis +105 °C Betriebstemperaturbereich
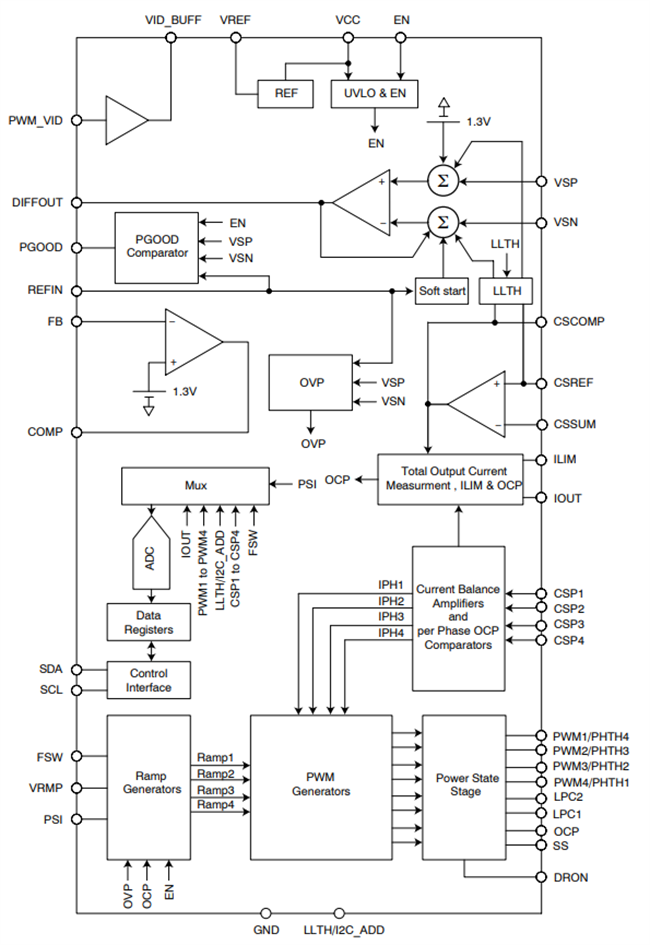
Funktionales Blockdiagramm
Veröffentlichungsdatum: 2023-08-11
| Aktualisiert: 2023-10-25
