onsemi NCx703x Unidirektionale Strommessverstärker
Die onsemi NCx703x unidirektionalen Strommessverstärker sind Hochspannungs-Strommessverstärker, die für eine präzise Strommessung in verschiedenen Applikationen konzipiert sind. Der onsemi NCx703x enthält die Bauteile NCS7030, NCS7031, NCV7030 und NCV7031. Diese Verstärker bieten eine ausgezeichnete Eingangs-Gleichtaktunterdrückung von -6 V bis 80 V und gewährleisten eine genaue Leistung auch in anspruchsvollen Umgebungen. Die Komponenten sind mit Verstärkungsoptionen von 14 V/V und 20 V/V erhältlich und halten einen maximalen Gain-Fehler von ±0,3 % über den gesamten Temperaturbereich aufrecht. Die NCx703x Verstärker eignen sich hervorragend für Fahrzeuganwendungen sowie Industrieapplikationen und bieten eine zuverlässige Strommessung über einen Messwiderstand. Darüber hinaus sind diese Verstärker in kompakten SOIC-8- und Micro8-Gehäusen erhältlich, wodurch sie sich für Designs mit engen Platzverhältnissen eignen.Merkmale
- 100 kHz Bandbreite
- ±300 V maximale Übertemperatur-Eingangs-Offset-Spannung
- ±3 V/°C maximaler Übertemperatur-Offset-Drift
- 14 V/V und 20 V/V Verstärkungsoptionen
- ±0,3 % maximaler Übertemperatur-Verstärkungsfehler
- 1,5 mA Ruhestrom (typisch)
- 3 V bis 5,5 V Versorgungsspannungsbereich
- Gleichtakt-Eingangsspannungsbereich
- Betrieb von -6 V bis 80 V
- Überleben von -14 V bis 85 V
- 85 dB minimaler CMRR
- 75 dB Mindest-PSRR
- Maximaler Eingangsstrom: ±10 mAA
- Maximaler Ausgangsstrom von ±50 mA
- Maximale ununterbrochene Gesamtverlustleistung: 200 mW
- ±100 mA maximaler Latch-Up-Strom
- Tiefpassfilter (1-polig oder 2-polig)
- Erweiterter Umgebungstemperaturbereich: -40 °C bis +150 °C
- Gehäuseoptionen: Micro8-Gehäuse 846A-02 und SOIC-8-NB-Gehäuse 751-07
- NCV-Präfix steht für Automotive-zertifizierte Optionen
- Feuchteempfindlichkeit (MSL) 1
- Bleifreies Bauteil
Applikationen
- Telekommunikationsausstattung
- Stromversorgungsdesigns
- Steuerung der Dieseleinspritzung
- Automobil-Applikationen
- Motorsteuerung
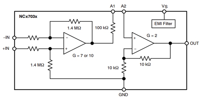
Vereinfachtes Blockdiagramm
Applikationsschaltpläne
Veröffentlichungsdatum: 2025-03-25
| Aktualisiert: 2025-04-16
