onsemi NFA3x512L72 Intelligente Leistungsmodule
onsemi NFA3x12L72 Intelligente Leistungsmodule (IPMs) sind fortschrittliche Module, die eine vollständig ausgestattete, leistungsstarke Wechselrichter-Endstufe für AC-Induktions-, BLDC- und PMSM-Motoren bieten. Diese Module integrieren optimierte Gate-Treiber der integrierten IGBTs zur Reduzierung von EMI und Verlusten und bieten gleichzeitig mehrere On-Modul-Schutzfunktionen. Die NFA3x12L72 Module enthalten eine integrierte LVIC-Temperaturmessung für die Temperaturüberwachung. Diese Schutzfunktionen umfassen Unterspannungssperren (UVLO), Überstromabschaltung, thermische Überwachung des Antriebs-ICs und Fehlermeldung. Die NFA3x12L72 Module verfügen über eine Nennisolierung von 2.500 Vrms/ 1 Min., eine Kollektor-Emitter-Spannung von 1.200 V und einen einzelnen IGBT-Kollektorstrom von 25 A. Zu den typischen Applikationen gehören HLK, Wärmepumpen, kommerzielle Klimaanlagen, VFD, Servomotoren, Robotik, variable Frequenzantriebe und Industrieautomatisierung.Merkmale
- 1200V/15A 3-Phasen-FS7-IGBT-Wechselrichter mit integrierten Gate-Treibern und Schutzfunktionen
- Integrierter Unterspannungsschutz (UVP)
- Open-Emitter-Pins getrennt von Low-Side-IGBTs für dreiphasige Strommessing
- Integrierte LVIC-Temperaturmessung für die Temperaturüberwachung
- Nennisolierung von 2.500 Vrms/ 1 Min.
- Bleifrei
- RoHS-konform
Applikationen
- HLK
- Wärmepumpen
- Gewerbliche Klimaanlagen
- Industriepumpen und Lüfter
- VFD
- Servomotoren
- Robotik
- Variabler Frequenzantrieb
- Industrieautomatisierung
Internes Blockdiagramm
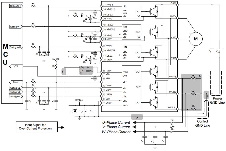
Typisches Applikations-Schaltungsdiagramm
Veröffentlichungsdatum: 2024-07-26
| Aktualisiert: 2024-08-22
