onsemi NFL25065L4BT Intelligentes SPM®-2-32-Leistungsmodul
Das onsemi NFL25065L4BT intelligente SPM®-2-32-Leistungsmodul ist zur Bereitstellung einer vollständig ausgestatteten, leistungsstarken verschachtelten Blindleistungskompensations(PFC)-Eingangsleistungsstufe für Verbraucher-, Medizintechnik- und Industrieapplikationen ausgelegt. Diese Module enthalten zur Reduzierung von elektromagnetischen Störungen (EMI) und Verlusten den optimierten Gate-Drive des isolierten Gate-Bipolartransistors (IGBT). Der NFL25065L4BT bietet mehrere On-Modul-Schutzfunktionen, einschließlich Unterspannungssperre, Überstromabschaltung, thermische Überwachungsfunktion und die Meldung von Fehlern. Darüber hinaus enthält das Bauteil einen Volwellengleichrichter und eine leistungsstarke SiC-Ausgangsdiode für zusätzliche Platzeinsparungen und eine einfachere Montage.Merkmale
- UL-zertifiziert unter der Nummer E209024 (UL1557)
- Verschachtelte 2-Phasen-PFC mit 650 V, 50 A und integrierten Gate-Treibern und Schutzfunktionen
- Durch die Verwendung des Al2O3 DBC-Substrat sehr geringer thermischer Widerstand
- Field-Stop-IGBTs der 4. Generation mit geringem Verlust
- Vollwellen-Brückengleichrichter und leistungsstarke SiC-Ausgangs-Boost-Diode
- Optimiert für eine 20-kHz-Schaltfrequenz
- Eingebauter NTC-Thermistor für die Temperaturüberwachung
- Nennisolierung von 2.500 Vrms/1 Min.
- RoHS-konform
Applikationen
- Verschachtelter 2-Phasen-PFC-Wandler (AC-200-V-Klasse)
- Kommerzielle HLK
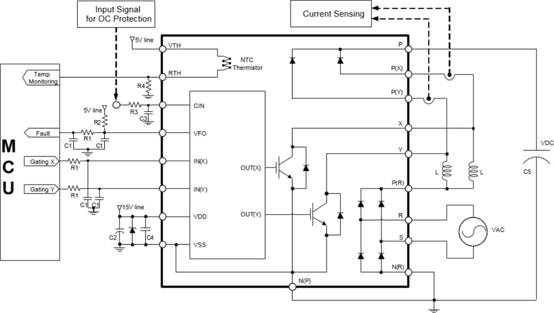
Blockdiagramm
Typische Applikations-Schaltung
Veröffentlichungsdatum: 2019-09-10
| Aktualisiert: 2024-06-24
