onsemi NTH4L028N170M1 1700 V EliteSiC-MOSFET

Der onsemi NTH4L028N170M1 EliteSiC-MOSFET von1.700 V bietet eine zuverlässige, hocheffiziente Leistung für Energieinfrastruktur- und Industrieantriebs-Applikationen. Der EliteSiC-MOSFET von onsemi verfügt über eine Planar-Technologie, die zuverlässig mit negativen Gate-Spannung-Drives arbeitet und Spitzen auf dem Gate ausschalten. Dieses Bauteil hat eine optimale Leistung, wenn es mit einem 20-V-Gate-Drive angesteuert wird, funktioniert aber auch gut mit einem 18-V-Gate-Drive.

Bei einer Prüfbedingung von 1.200 V bei 40 A erreicht der EliteSiC-MOSFET von 1.700 V im Vergleich mit gleichwertigen Konkurrenzprodukten, die näher bei 300 nC liegen, eine Gate-Ladung (Qg) von 200 nC. Eine niedrige Qg ist entscheidend für das Erreichen eines hohen Wirkungsgrads in schnell schaltenden, leistungsstarken erneuerbaren Energieapplikationen.

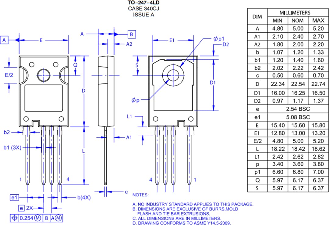
Der NTH4L028N170M1 EliteSiC-MOSFET von 1.700 V von onsemi ist in einem TO247-4L Gehäuse untergebracht und verfügt über einen Kelvin-Quellen- Anschluss am vierten Pin, der die Verlustleistung beim Einschalten und das Gate-Rauschen verbessert.

Merkmale

  • Typ. RDS(on) = 28 mΩ bei VGS = 20 V
  • Ultra-niedrige Gate-Ladung (QG(tot) = 200 nC)
  • Hochgeschwindigkeits-Schalten mit niedriger Kapazität (Coss = 200 pF)
  • 100 % Avalanche-getestet
  • TO247-4L Gehäuse
  • Bleifrei und RoHS-konform

Applikationen

  • USV
  • DC/DC-Wandler
  • Aufwärtswandler

Videos

Gehäuseabmessungen

Technische Zeichnung - onsemi NTH4L028N170M1 1700 V EliteSiC-MOSFET
Veröffentlichungsdatum: 2022-11-10 | Aktualisiert: 2024-06-19