onsemi NXH020U90MNF2 Siliziumkarbid(SiC)-Module
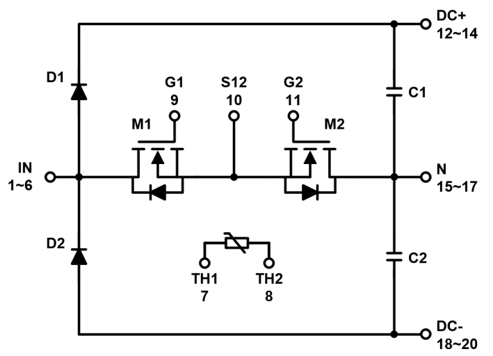
onsemi NXH020U90MNF2 Siliziumkarbid(SiC)-Module sind Vienna-SiC-Module mit 900-V-SiC-MOSFET-Schaltern von 2x 10 mOhm. Die Bauteile von onsemi verfügen auch über 1.200-V-SiC-Dioden von 2x 100 A und einen Thermistor. Das NXH020U90MNF2 ist in einem F2-Gehäuse untergebracht. Die SiC-MOSFET-Schalter verwenden die M2-Technologie und werden mit einem Gate-Drive von 15 V bis 18 V betrieben.Merkmale
- Der Neutralpunkt ist 10-mΩ-, 900-V-SiC-MOSFETs
- Boost-Dioden sind 100-A-, 1-200-V-SiC-Dioden
- Thermistor
- Vorinstalliertes TIM
- Press-Fit-Pins
- Diese Bauteile sind bleifrei, halidfrei und RoHS-konform
Applikationen
- Ladestationen für Elektrofahrzeuge
- Unterbrechungsfreie Stromversorgungen (USV)
- Energiespeichersysteme
Schaltschema
Veröffentlichungsdatum: 2022-11-14
| Aktualisiert: 2024-06-18
