onsemi NXV08H300DT1 MOSFET-Modul
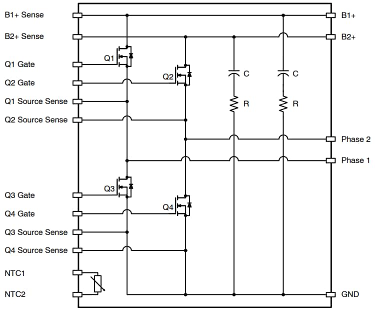
Das onsemi NXV08H300DT1 MOSFET-Modul ist ein Dual-Halbbrücken-Automotive-Leistungs-MOSFET-Modul von 80 V mit Temperaturmessung für 48-V-Mild-Hybrid-Fahrzeuganwendungen. Dieses Zweiphasen-Leistungs-MOSFET-Modul ist mit einem Direct-Bondkupfer-Substrat (DBC) für einen niedrigen Rthjc elektrisch isoliert. Das NXV08H300DT1 Modul ist kompakt für einen niedrigen Gesamtwiderstand des Moduls ausgelegt und das kleine, effiziente und zuverlässige Systemdesign reduziert den Kraftstoffverbrauch des Fahrzeugs und die CO2 -Emissionen. Die Bauelemente im Modul sind AEC-Q101- (MOSFET) und AEC-Q200-qualifiziert (passive Bauelemente). Das NXV08H300DT1 Leistungs-MOSFET-Modul eignet sich hervorragend für den Einsatz in 48-V-Wechselrichter- und 48-V-Traktionsapplikationen.Merkmale
- Zweiphasen-MOSFET-Modul (auf Kundenseite kann dieses Modul als Halbbrücken-MOSFET-Modul verwendet werden, indem die Zweiphasen-Ausgangs-Leistungsanschlüsse kombiniert werden)
- Elektrisch isoliertes DBC-Substrat für niedrigen Rthjc
- Kompaktes Design für einen niedrigen Gesamtwiderstand des Moduls
- Vereinfachte Fahrzeugmontage
- Niedriger thermischer Widerstand
- Niedrige Induktivität
- Drain-Source-Spannung: 80 (VDS)
- Modul-Serialisierung für vollständige Rückverfolgbarkeit
- AQG324-qualifiziert auf Modulebene:
- Die Bauelemente im Inneren sind AEC-Q101- (MOSFET) und AEC-Q200-qualifiziert (passive Bauelemente)
- UL 94V-0-konform
- Bleifrei und RoHS-konform
Applikationen
- 48-V-Wechselrichter
- 48-V-Traktion
Blockdiagramm
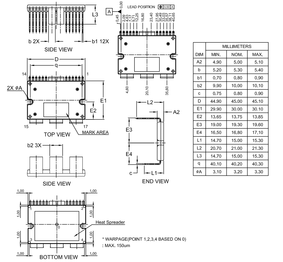
Gehäuseabmessungen
Veröffentlichungsdatum: 2024-02-21
| Aktualisiert: 2024-07-15
