Phoenix Contact PSR Sicherheitsrelaismodule
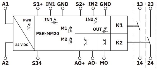
Phoenix Contact PSR Sicherheitsrelaismodule sind für die Erkennung der Überdrehzahl oder des Stillstands von rotierenden Teilen und die Implementierung von Sicherheitsfunktionen in Maschinen und Systemen konzipiert. Diese PSR-MM20 Relaismodule evaluieren die Signale der Näherungsschalter zur Überwachung der Systembewegung. Die PSR Relaismodule verfügen über flexible Frequenzeinstellungen von bis zu 31,5 Hz (in 0,5-Hz-Schritten) oder bis zu 315 Hz (in 5-Hz-Schritten). Diese Module bieten eine sichere Bewegungsüberwachung bis zu Cat. 4/PL e gemäß EN ISO 13849-1 und bis SIL 3 gemäß EN IEC 62061. Die PSR Sicherheitsrelaismodule eignen sich ideal für die Überwachung von Stillstand und Überdrehzahl, Not-Aus-Überwachung, berührungslos wirkenden Schutzeinrichtungen und anderen Systemen, die mehrere Sicherheitsfunktionen erfordern.Merkmale
- Anschluss von zwei 3-Draht-PNP-Näherungsschaltern
- Überwachung parametrierbarer Drehzahlbegrenzungen
- Flexible Frequenzeinstellung von bis zu 31,5 Hz (in 0,5-Hz-Schritten) oder bis zu 315 Hz (in 5-Hz-Schritten)
- Sichere Bewegungsüberwachung bis Kat. 4/PL e gemäß EN ISO 13849-1 und bis SIL 3 gemäß EN IEC 62061
- Typische Freigabezeit von 25 ms
- Neustartzeit (Boot-Zeit) von 2,5 s
- Analogausgang (0 V bis 10 V) zur Überwachung von Drehzahlwerte
- Startpulslänge:
- 200 ms Minimum (manueller Start)
- 10 s Maximum (manueller Start)
- Maximaler Leistungsverlust: 4 W
- Isolationsnennspannung: 250 V
- Gesamtbreite: 17,5 mm
Applikationen
- Überwachung bei Stillstand und Übergeschwindigkeit
- Überwachung des Notstopps
- Berührungslos wirkende Schutzeinrichtungen
- Überwachung von Sicherheitstüren und -abdeckungen
- Sichere Koppelrelais
Blockdiagramm
Applikations-Schaltung – Diagramm
Veröffentlichungsdatum: 2025-09-26
| Aktualisiert: 2025-10-09
