Phoenix Contact PSR-MC38 Sicherheitsrelais
Das Phoenix Contact PSR-MC38 Sicherheitsrelais ist ein Sicherheitsrelais für die Notabschaltung, Sicherheitstüren und Lichtgitter bis SILCL 3, Kat. 4, PL.e. Diese Sicherheitsrelais verfügen über einen Ein- oder Zweikanal-Betrieb und einen automatischen oder manuellen überwachten Start, zwei Freigabestrompfade und einen Signalausgang. Die PSR-MC38 Relais bieten eine TBUS-Schnittstelle für den Anschluss von Contactron Pro Hybrid-Motorstartern und MINI-POWER-Netzteilen.Merkmale
- Ein- oder Zweikanal-Betrieb
- Automatischer, manueller oder überwachter Start
- 2 Freigabe-Strompfade
- 1 Signalausgang
- TBUS-Schnittstelle für den Anschluss von Contactron Pro Hybrid-Motorstartern und MINI-POWER-Netzteilen
- Bis Kat.4/PL e gemäß ISO 13849-1, SILCL 3 gemäß IEC 62061, SIL 3 gemäß IEC 61508
Applikationen
- Notabschaltung
- Schutztür-Überwachung
- Evaluierung der Lichtgitter
Technische Daten
- Versorgungsspannung der Steuerschaltung: 24 VDC
- Betriebstemperaturbereich: -20 °C bis +55 °C
- Typische Steuerversorgungsspannung: 75 mA
- Typischer Stromverbrauch: 1,8 W
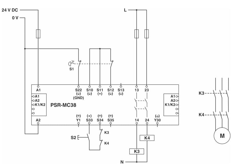
Schaltplan
Veröffentlichungsdatum: 2019-12-04
| Aktualisiert: 2025-10-07
