TRACO Power TSR 2N/3N Non-Isolated DC/DC Converters (POL)
TRACO Power TSR 2N/3N Non-Isolated DC/DC Converters (POL) are 2A and 3A step-down switching regulators in a compact SIP-3 plastic package. The TRS 2N and 3N are part of the TSR family, providing a significantly more cost-effective design and construction than their predecessors. These converters feature a 4.6VDC to 36VDC wide input operating range, up to 95% efficiency, and a 1.2VDC to 15VDC output voltage range. The TSR 2N/3N converters protection features include short circuit protection, current limitation, and under-voltage lockout. The highly efficient design allows full load operation up to +95°C ambient temperature (at nominal VIN) without any heat sink or forced cooling. These POL converters are suitable for a wide variety of applications, including battery, instrumentation, and distributed power requirements.Features
- Highly cost-efficient design
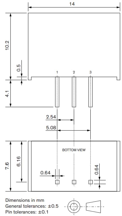
- 14mm x 7.6mm x 10.2mm compact SIP-3 package
- Pin compatible with TO-220 package linear regulators
- Excellent thermal capabilities
- -40°C to 95°C operation temperature range
- Up to 95% efficiency
- 4.6VDC to 36VDC wide input operating range
- Short circuit protection, current limitation, and under-voltage lockout
- Excellent line/load regulation
- 3-year product warranty
Applications
- Batteries
- Instrumentation
- Distributed power requirements
Datasheets
Dimension Diagram
View Results ( 18 ) Page
| Teilnummer | Datenblatt | Eingangsspannung, nominal | Eingangsspannung – Min | Eingangsspannung – Max | Ausgangsspannung (Kanal 1) | Ausgangsstrom (Kanal 1) | Eingangsspannung |
|---|---|---|---|---|---|---|---|
| TSR 2-2450N | ![]() |
12 V | 6.5 V | 36 V | 5 V | 2 A | 6.5 V to 36 V |
| TSR 2-24120N | ![]() |
24 V | 15 V | 36 V | 12 V | 2 A | 15 V to 36 V |
| TSR 2-2433N | ![]() |
12 V | 4.6 V | 36 V | 3.3 V | 2 A | 4.6 V to 36 V |
| TSR 2-2490N | ![]() |
24 V | 11 V | 36 V | 9 V | 2 A | 11 V to 36 V |
| TSR 3-2433N | ![]() |
12 V | 4.6 V | 36 V | 3.3 V | 3 A | 4.6 V to 36 V |
| TSR 3-2450N | ![]() |
12 V | 6.5 V | 36 V | 5 V | 3 A | 6.5 V to 36 V |
| TSR 2-2412N | ![]() |
12 V | 4.6 V | 28 V | 1.2 V | 2 A | 4.6 V to 28 V |
| TSR 2-24150N | ![]() |
24 V | 18 V | 36 V | 15 V | 2 A | 18 V to 36 V |
| TSR 2-2415N | ![]() |
12 V | 4.6 V | 32 V | 1.5 V | 2 A | 4.6 V to 32 V |
| TSR 2-2418N | ![]() |
12 V | 4.6 V | 36 V | 1.8 V | 2 A | 4.6 V to 36 V |
Veröffentlichungsdatum: 2025-01-14
| Aktualisiert: 2025-02-18

