Qorvo QPA1111 Leistungsverstärker
Qorvo QPA1111 Leistungsverstärker sind leistungsstarke X-Band-MMIC-Verstärker, die mit dem 0,15-μm-GaN-on-SiC-Verfahren (QGaN15) hergestellt werden. Diese Verstärker werden in einem Frequenzbereich von 8,5 GHz bis 10,5 GHz und einem Lagertemperaturbereich von -55°C bis 150°C betrieben. Die QPA1111 Verstärker bieten eine gesättigte Ausgangsleistung von 30 W mit einem leistungsverstärkenden Wirkungsgrad von 45 % und einer Kleinsignalverstärkung von 38 dB. Diese Verstärker sind vollständig auf 50Ω abgestimmt und verfügen über DC-geerdete I/O-Anschlüsse für eine optimale ESD-Leistung und vereinfachen die Systemintegration. Die QPA1111 Leistungsverstärker sind 100 % DC- und HF-getestet, um die Einhaltung der elektrischen Spezifikationen zu gewährleisten und eignen sich hervorragend für Radar-, Satellitenkommunikations- und Datenlink-Applikationen.Merkmale
- 8,5 GHz bis 10,5 GHz Frequenzbereich
- 45 dBm POUT (PIN = 18 dBm)
- 45 % PAE (PIN = 18 dBm)
- 27 dBm Leistungsverstärkung (PIN = 18 dBm)
- Verlustleistung (PD): 65 W
- 38 dB Kleinsignalverstärkung
- -55 °C bis 150 °C Lagertemperaturbereich
- Vorspannung:
- Gepulste VD = 22 V
- IDQ = 620 mA
- PW = 100µs
- DC = 10 %
- VG = -2,3 V typischer Bereich
- 6 mmm x 6 mmm x 0,85 mmm Gehäuse -Abmessungen
- Bleifrei und RoHS-konform
Applikationen
- Satellitenkommunikationssysteme
- Radar
- Datenlinks
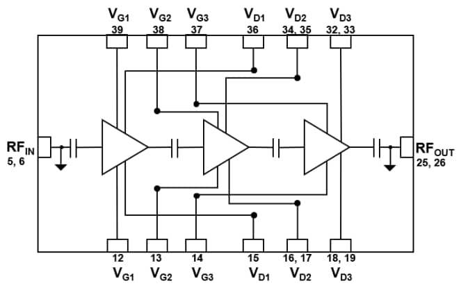
Funktionales Blockdiagramm
Veröffentlichungsdatum: 2024-09-20
| Aktualisiert: 2024-10-15
