Qorvo QPA9424EVB-01 Evaluierungsboard
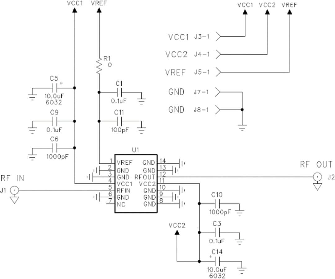
Das Qorvo QPA9424EVB-01 Evaluierungsboard ist eine Demonstrations- und Entwicklungsplattform für den QPA9424 Dreiphasen-Leistungsverstärker mit hoher Linearität. Der QPA9424 bietet eine Gain von 35,8 dB und eine Linearleistung von +27 dBm über einen Frequenzbereich von 2.300 MHz bis 2.400 MHz und deckt das Band 30 und 40 ab. Dieser Verstärker kann mit einem LTE-Signal von 20 MHz und bei einer +27-dBm-Ausgangsleistung -48,5 dBc ACLR erzielen.Das QPA9424EVB-01 Evaluierungsboard verfügt über einen vorbestückten QPA9424 in einem kompakten unbedrahteten und oberflächenmontierbaren Gehäuse von 7 mm x 7 mm. Das Evaluierungsboard bietet eine Beispiel-Applikations-Schaltung, die ein schnelles Prototyping bei einem Einsatz in bestehende Designs ermöglicht.
Applikations-Schaltung – Schaltplan
Videos
Veröffentlichungsdatum: 2019-09-30
| Aktualisiert: 2023-12-01
