Qorvo QPA9908EVB01 925- bis 960-MHz-Evaluierungsboard
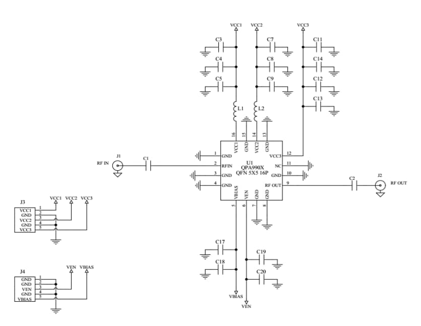
Das Qorvo QPA9908EVB01 925- bis 960-MHz-Evaluierungsboard ist zur Evaluierung der Funktionsweise des QPA9908 ausgelegt. Der QPA9908 ist ein linearisierbarer Leistungsverstärker mit hohem Wirkungsgrad, der auf drahtlose Band-8-Kleinzellen-Infrastruktursysteme ausgerichtet ist. Der QPA9908 ist in einem SMT-Gehäuse von 5 x 5 mm untergebracht und mit dem QPA9903 (Band-3-Kleinzellen-PA mit hohem Wirkungsgrad) Pin-zu-Pin-kompatibel.Schaltplan
Videos
Veröffentlichungsdatum: 2019-09-06
| Aktualisiert: 2023-11-29
