Qorvo QPB8958 HF-Verstärker
Die QPB8958 HF-Verstärker von Qorvo sind GaAs-pHEMT- (pseudomorphic High Electron Mobility Transistor, pHEMT)/MESFET-Transistoren (Metal Semiconductor Field Effect Transistor, MESFET) mit einem 75Ω-Push-Pull-HF-Verstärker. Diese ICs sind zur Unterstützung von DOCSIS 3.1-Applikationen bis zu 1003 MHz mit einer 24V-Einzelversorgung ausgelegt. Die QPB8958 HF-Verstärker-ICs verfügen über eine flache Gain von über 34 dB und ein geringes Rauschen von 4,5 dB. Diese Verstärker-ICs sind rauscharm und bieten eine geringe Verzerrung bei einem hohen Wirkungsgrad, haben einen Stromverbrauch von nur 5,8 W und sind in einem QFN-Gehäuse von 5 mm x 7 mm untergebracht. Zu den Applikationen gehören DOCSIS 3.1, Breitband-CATV-Hybridmodule, Head-End-CMTS-Ausrüstungen und 75Ω-Verstärker.Merkmale
- Hohe Gain von 34 dB bei 1.003 MHz
- Einstellbare Vorspannung
- 50 MHz bis 1.003 MHz Bandbreite
- 46 dBmv/Kanal flach
- Geringes Rauschen von 4,5 dB
- Ausgezeichnete Verbundverzerrung
- pHEMT-/MESFET-Bauteiltechnologien
- Kompakte Größe mit 40-Pin-QFN-Gehäuse von 5 mm x 7 mm
- Stromverbrauch von 260 mA bis 5,8 W
Applikationen
- DOCSIS 3.1
- Breitband-CATV-Hybridmodule
- Head-End-CMTS-Ausrüstung
- 75Ω-Verstärker
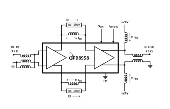
QPB8958 Funktionales Blockdiagramm
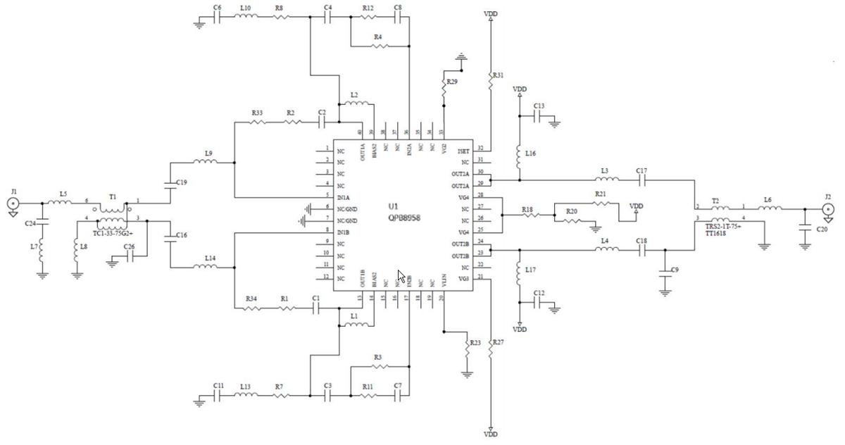
Typischer Applikationsschaltplan
Veröffentlichungsdatum: 2018-11-15
| Aktualisiert: 2023-02-02
